EasyManua.ls Logo

Platinum Ultimate - Stairlift Wiring Diagram; Stairlift Electrical Connections Overview

Platinum Ultimate
20 pages
Print Icon
To Next Page IconTo Next Page
To Next Page IconTo Next Page
To Previous Page IconTo Previous Page
To Previous Page IconTo Previous Page
Loading...
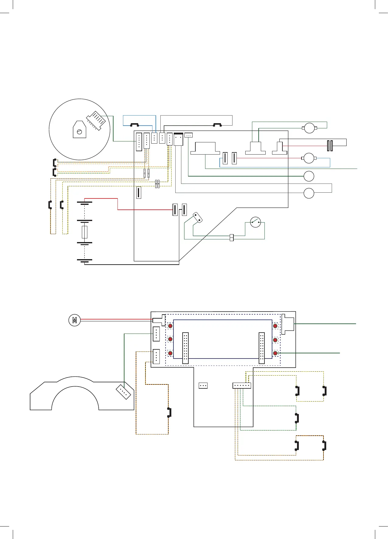
WIRING DIAGRAM
M
E
B
M
OSG SAFETY LOOM
LEVEL MOTOR AND ENCODER
26
8
MOTOR NEG
MOTOR POS
POWER PICK UP/CHARGE CONTACTS
FINAL
>>
30A FUSE
OSG
>>
FINAL LIMIT SAFETY LOOM
POSITION LOOM
MULTI-CORE CABLE
ROLLER CARRIER
SAFETY LOOMS
RED
BATT
POS
BATT
NEG
MAIN MOTOR ENCODER
BLACK
POWER AND DATA LOOM
TO/FROM DISPLAY BOARDS
KEY SWITCH
(CABLES MAY NOT BE
COLOUR MATCHED)
BRAKE
MAIN MOTOR
BLUE
BLUE
GREY
GREY
RED
RED
POWER SWITCH
Messages relating
to level pot
Final limit Overspeed governor
Out of level error
Off charge
Main motor stall
Main motor stall
Connect Brake
Right yoke
Right side
Left side
Left yoke
YELLOW / BLACK
ORANGE / BLACK
ORANGE / BLUE
ORANGE / WHITE
YELLOW / RED
YELLOW / BLUE
BLACK
2
8
SWIVEL MOTOR
BLACK
POWER SWIVEL LOOM
MULTI-CORE CABLE
FOOT PLATE SAFETY LOOM
POWER AND DATA LOOM TO/FROM MAIN BOARD
FOOT PLATE SAFETY LOOM
FOOT PLATE SAFETY LOOM
MANUAL SWIVEL
SAFETY LOOM
BOTTOM SAFETY EDGE
R/H FOOTPLATE
SAFETY EDGE
L/H FOOTPLATE
SAFETY EDGE
M
MENU BUTTONS X6
LCD DISPLAY
SEAT SENSOR
Note 2 – All references to
‘hand’ are from the
perspective of the user,
sat on the lift.
Note 1 – The manual and
power swivel safety looms
are mutually exclusive.
Seat Swivel Magnet
Manual seat
swivel
RED
ORANGE / BLACK
ORANGE / BLACK
GREEN / BLACK
YELLOW / BLACK
Left foot
Bottom Foot Rest
Right foot
14