EasyManua.ls Logo

PM MPC-5V100 - Main Performance Index; Main Technical Parameters; Electrical Schematic Diagram; Packing List

Default Icon
13 pages
Print Icon
To Previous Page IconTo Previous Page
To Previous Page IconTo Previous Page
Loading...
12
VI. Main Performance Index
6.1 Main technical parameters
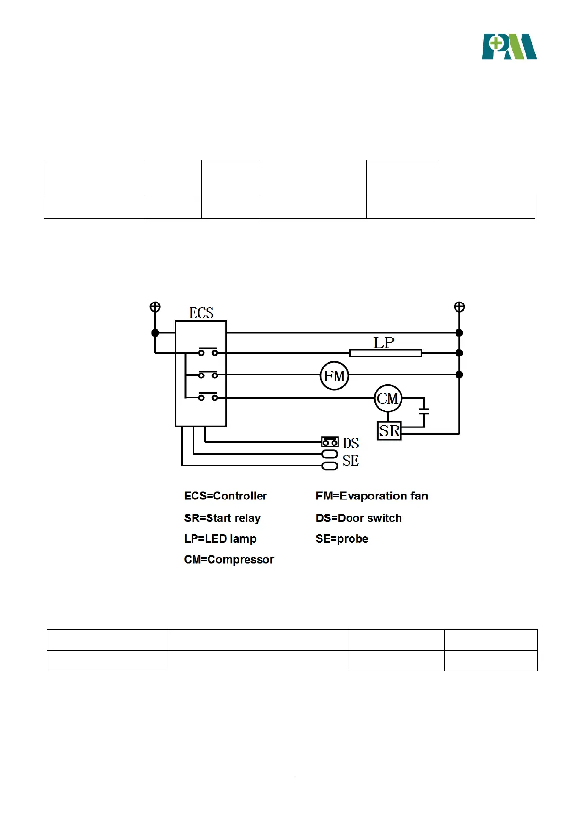
6.2 Electrical schematic diagram
VII. Packing list
Model
Temp
Volume
Power supply
Refrigerant
Dimension
MPC-5V100
28
100L
220V, 50Hz
R600a
505*510*875
Model
Operation instruction
Shelf
Keys
MPC-5V100
1
3
2