EasyManua.ls Logo

poclain hydraulics MK05 - Page 92

poclain hydraulics MK05
100 pages
Print Icon
To Next Page IconTo Next Page
To Next Page IconTo Next Page
To Previous Page IconTo Previous Page
To Previous Page IconTo Previous Page
Loading...
POCLAIN HYDRAULICS
92 DOC-REPAIR-MK05-MKE18-FR-EN 800078181E
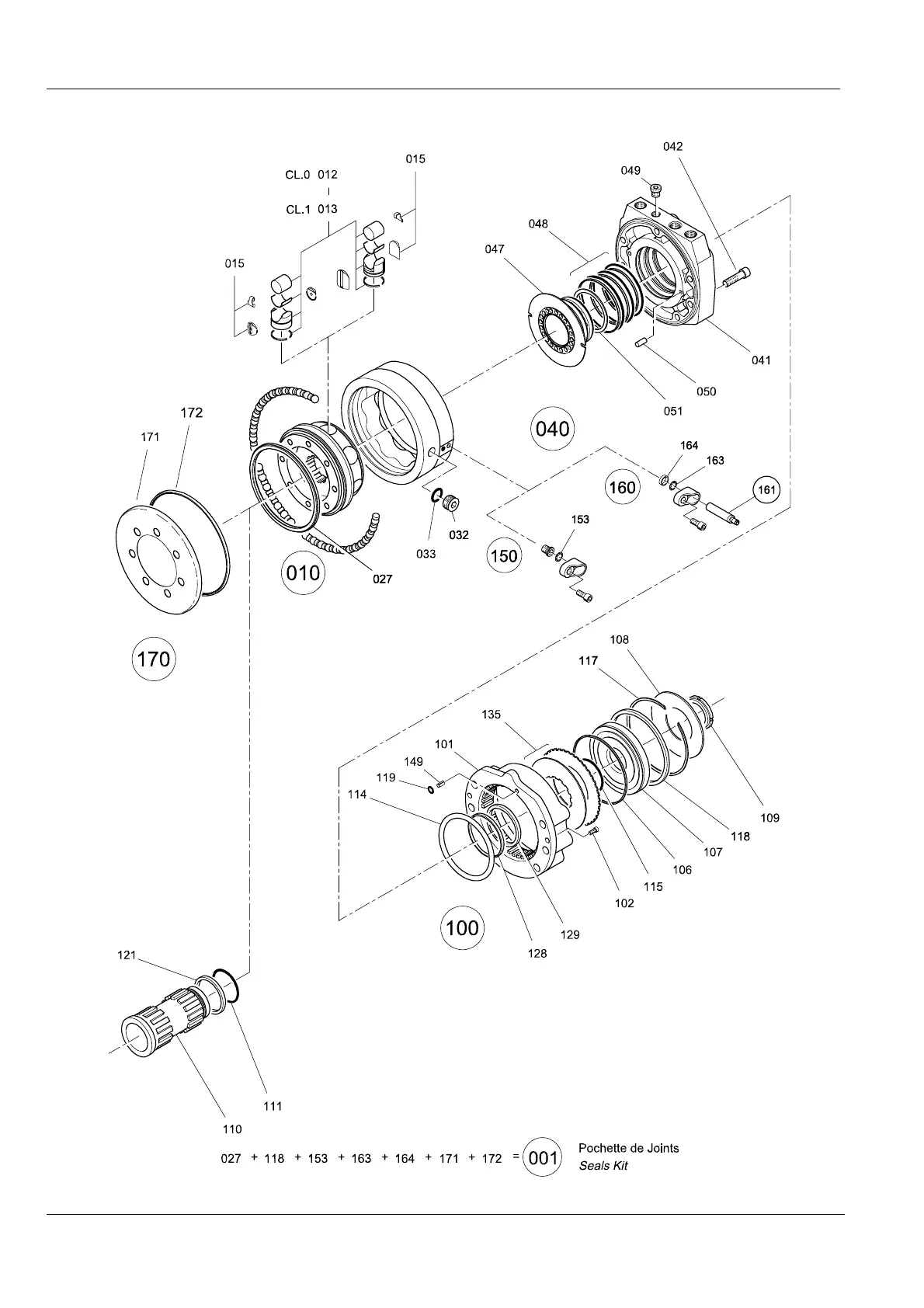
MOTEUR HYDRAULIQUE MK08
MK08 HYDRAULIC MOTOR

Table of Contents

Related product manuals