EasyManua.ls Logo

Polon-Alfa 4100 - Page 30

Default Icon
72 pages
Print Icon
To Next Page IconTo Next Page
To Next Page IconTo Next Page
To Previous Page IconTo Previous Page
To Previous Page IconTo Previous Page
Loading...
 


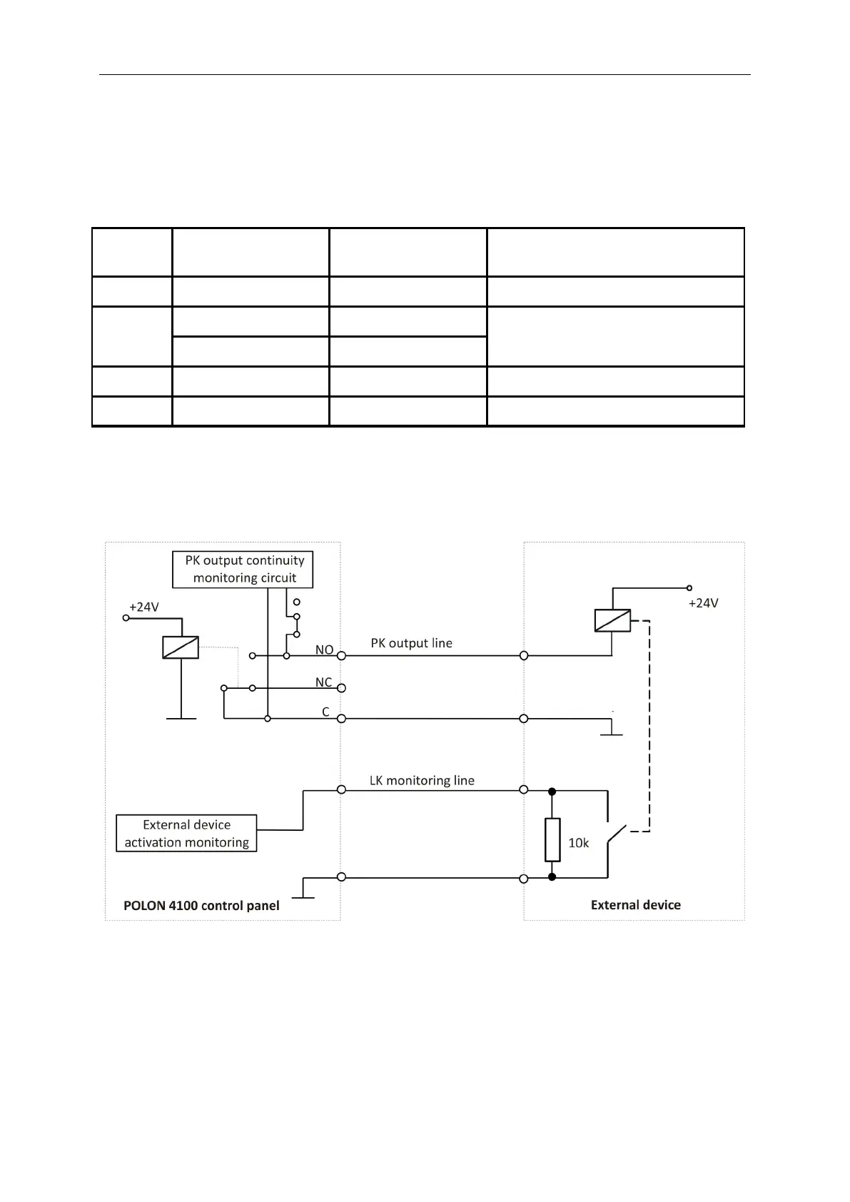
Monitoringline outputs programming

Variant
Monitored out
put
type
Monitored output
number
Monitoring type










Note:

               



Table of Contents

Related product manuals