EasyManua.ls Logo

Polytropic master l - Wiring Diagrams

Default Icon
26 pages
Print Icon
To Next Page IconTo Next Page
To Next Page IconTo Next Page
To Previous Page IconTo Previous Page
To Previous Page IconTo Previous Page
Loading...
- 52 -
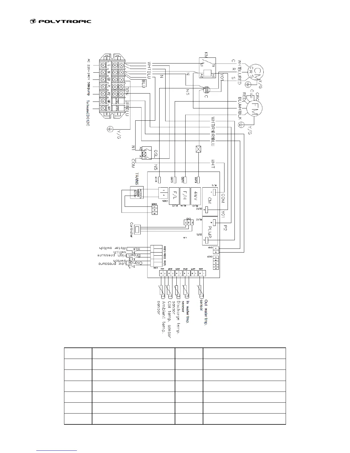
Wiring diagrams
Model Advance
CM
Compressor
32
Ambient temperature
FM
Fan motor
30
Coil temperature
4WV
Four way valve
29
Outlet water temperature
KM
Contactor
28
Inlet water temperature
D
Wire controller
HP
High pressure switch
L / N
Power supply
LP
Low pressure switch
03
Return gas temperature
WP
Water pressure switch

Related product manuals