EasyManua.ls Logo

PoolPak PCP2600 - Page 24

Default Icon
38 pages
Print Icon
To Next Page IconTo Next Page
To Next Page IconTo Next Page
To Previous Page IconTo Previous Page
To Previous Page IconTo Previous Page
Loading...
September 2020 23 PoolPak PCP Series Outdoor OMM
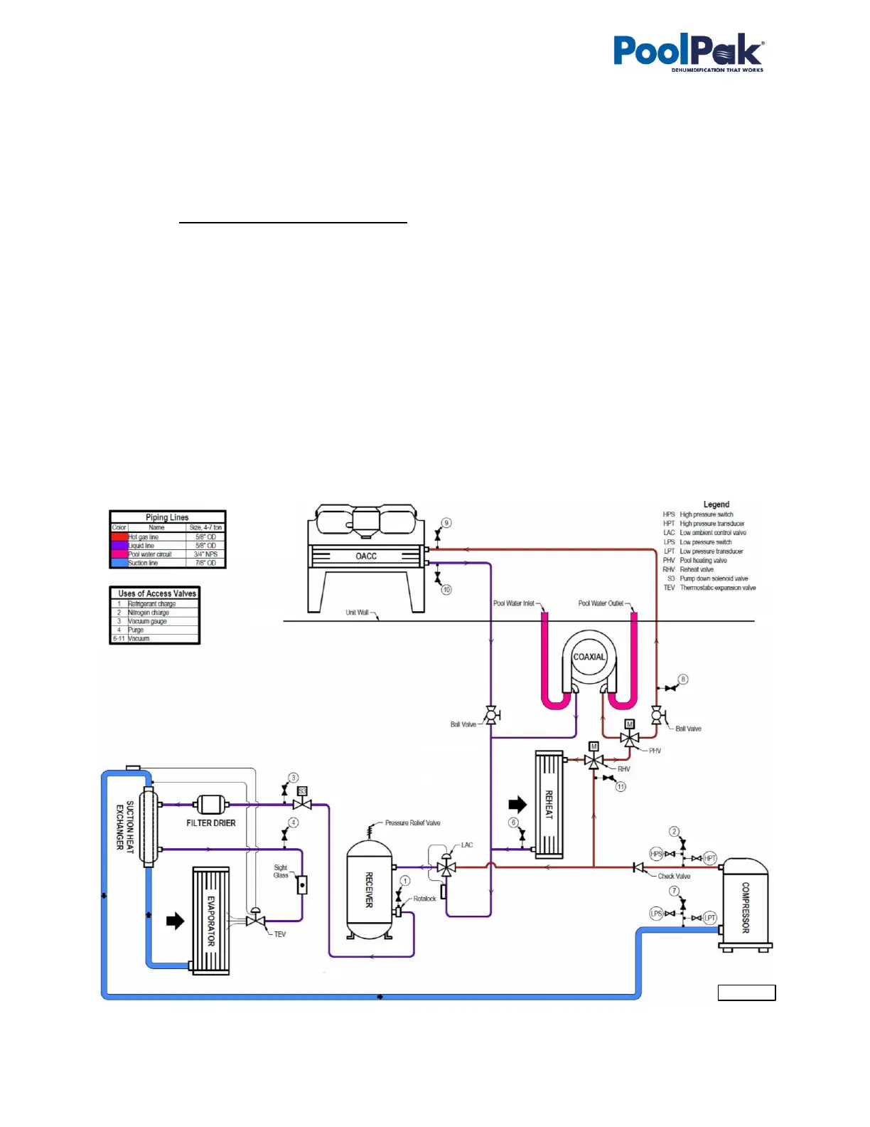
Piping schematic for compressor circuit is shown on Pic. E.1-L.
When a demand requires the compressor to operate, the following sequence occurs:
- Once blower operation, related safeties and timers are confirmed by the control system, the pump down
solenoid valve opens and once pressure stabilizes, the compressor starts.
- Reheat valve diverts portion of hot gas into the reheat coil. Remainder of the hot gas goes into outdoor
condenser and (if applicable) pool water heat exchanger.
o Dehumidifier with pool heating option: pool valve diverts portion of hot gas into pool water heat
exchanger, based on pool water heating demand.
o Outdoor condenser fan is engaged only if hot gas is diverted outdoors and compressor pressure is
higher than pre-set level (see Outdoor Condenser and Fluid Cooler Operation below).
- Once demand for the compressor’s operation is removed (respective call is satisfied), the pump down solenoid
valve closes; once the compressor suction pressure reaches the pre-set pressure, the compressor stops.
Outdoor Condenser and Fluid Cooler Operation.
Based on the type of the outdoor condenser or fluid cooler fans’ type (two-speed fans or EC-type/modulating
fans), respective signal(s) are sent by control system to engage said fan(s): for two-speed fans - on/off signals
(switching speeds, based on compressor head pressure level), for EC-type fans - variable 0-10VDC signal
(proportional to the compressor head pressure level). Refer to the fans’ type and wiring diagram if/when needed.
If the fluid cooler is equipped with the built-in pump package (to establish cooling fluid flow between dehumidifier
and the fluid cooler or to serve as additional/booster pump), the said pump is also engaged along with fluid cooler
fans pump would stay engaged while fans are engaged (regardless of the fans’ speed).
Pic. E.1-L

Related product manuals