EasyManua.ls Logo

PoolPak PCP2600 - Heat Recovery Option; Air Conditioning, Dehumidification and Pool Heating

Default Icon
38 pages
Print Icon
To Next Page IconTo Next Page
To Next Page IconTo Next Page
To Previous Page IconTo Previous Page
To Previous Page IconTo Previous Page
Loading...
September 2020 25 PoolPak PCP Series – Outdoor OMM
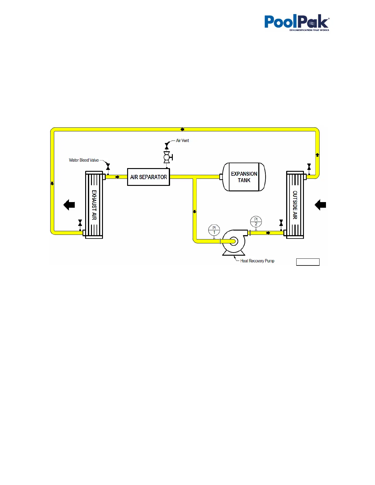
Heat Recovery Option.
Dehumidifiers, packaged with Minimum Exhaust Fan and Minimum Outdoor Air damper, could also have
additional Heat Recovery (HR) closed-loop glycol system.
Heat Recovery loop (see Pic. E.1-H below) consists of two coils (air-to-glycol heat exchangers) and a pump,
establishing glycol circulation between them. One coil, installed at exhaust air opening, recovers portion of
exhausted air energy, another coil, installed at outdoor air intake, transfers this captured energy to entering
outdoor air.
Air Conditioning, Dehumidification and Pool Heating.
When premise air temperature goes over (exceeds) its set point, the dehumidifier control system issues a call for
Air Conditioning Mode. Respectively, when premise air humidity goes over (exceeds) its set point, the dehumidifier
control system issues a call for Dehumidification Mode. In some instances, these calls may co-exist.
To execute Dehumidification or Air Conditioning (Cooling) mode, control system, depending on current conditions,
would resort to available means of cooling or dehumidification.
Economiser Mode Option.
Note: Economiser Mode requires dehumidifier to be equipped with full (min and additional) exhaust and outdoor
air options!
If outdoor air is dry and/or cool, it could be used to dehumidify and/or cool the premise. In this case, on call for
Dehumidification or Air Conditioning mode(s), control system would simply increase exhaust fan(s) speed signal to
direct more stale return air outside and bring in more outdoor (dry/cool) air in, thus reducing supply air humidity
and/or temperature (as needed).
Pic. E.1-H

Related product manuals