EasyManua.ls Logo

Powerex SLAE03E - Parts List

Powerex SLAE03E
35 pages
Print Icon
To Next Page IconTo Next Page
To Next Page IconTo Next Page
To Previous Page IconTo Previous Page
To Previous Page IconTo Previous Page
Loading...
34
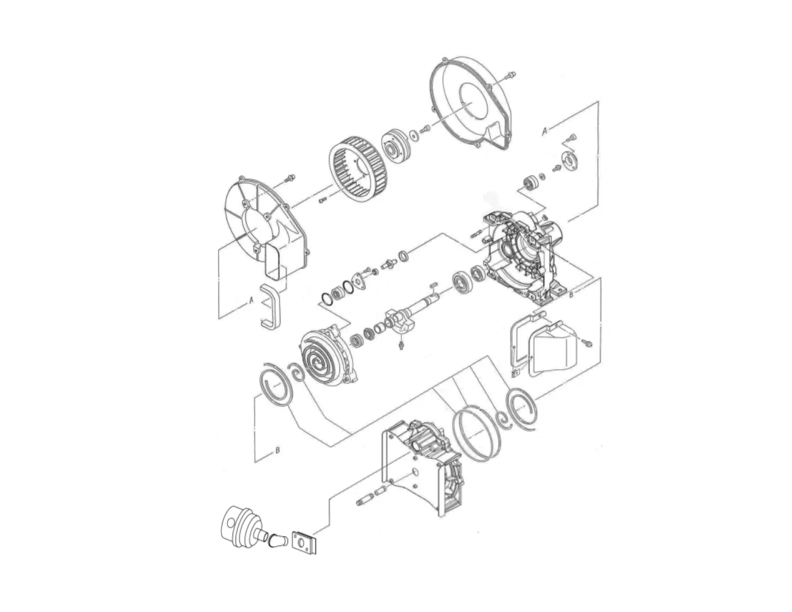
PARTS LIST

Other manuals for Powerex SLAE03E

Related product manuals