EasyManua.ls Logo

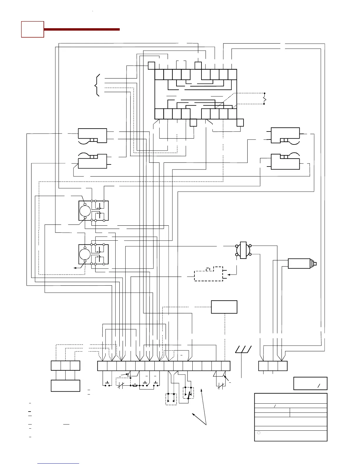
PowerMaster H - WIRING DIAGRAM - SINGLE PHASE 331-3

PowerMaster H
23 pages
Print Icon
To Next Page IconTo Next Page
To Next Page IconTo Next Page
To Previous Page IconTo Previous Page
To Previous Page IconTo Previous Page
Loading...
14
9 4
14 6 4 2
13 5 3 1 13 5 3 1
6
BK
BK
BK
BK
BK
BK BK
BL GY
BL
BL
A2
A1 A1
BL
BK
R
OPEN
CLOSE
UL
OVERLOAD
SOLID STATE
TIMER
NC
NO
C-L/S C
CO-L/S
NC
NO
C
NO
NC
XFMR
L1 L2 L3
2
1 2 3 4 5 6 7 8 9 10 11 12 13 14
BK
A2
Y
Y
(115V
ONLY)
BRAKE
(WHEN
REQ'D)
(115V ONLY)
V
OR
GND
MTR/CNTR: 1 O
DATE: 10-31-02
BY: F.S.
REV. 15
SPECIAL: OPTIONAL TIMER CIRCUIT IN
DASHED LINES
WIRING DIAGRAM NO. 331-3
WIRING TYPE: SAFETY EDGE TO REVERSE
WITH OPTIONAL TIMER
WIRED FOR
V, 1 O
R3 R2 R1
RADIO
RCVR
Y
NC
NO
S/E OFF
C
BK
V
PHOTOCELL
OR 3-WIRE
AIRSWITCH
2-WIRE EDGE
OR AIRSWITCH
(SEE NOTE #3)
OBSTRUCTION
SENSING DEVICE
SE
V
GY
Y
BL
TO
MOTOR
C S.E.L
NC
NO BL
Y
GY
WH
WH
BL
BL
24 VAC
COIL
OR
Y/W
OR/BL
BK
BL
BL
LINE
VOLTAGE
COIL
TO MOTOR
(208V/
230V ONLY)
BK
Y
Y
WH
R
OR
OR
OR OR
OROR
BR
OR
OR
R
Y
Y
Y/W
BL
BL
BL
OR
OR
OR/BL
BL
BL
BK BKBK BK
BK
BK
INCOMING LINE
L2-HOT LEG
L1-NEUTRAL (115V ONLY)
TIMER DEFEAT
SWITCH (N.C.)
(WHEN REQ'D)
EXT'L INTL'K
(WHEN REQ'D)
L3
L1
Y/W
Y
SE
BL
W
WH
24VAC
L3
L1
BR
L2
L3
BR
HOIST CHAIN INTERLOCK
(WHEN REQ'D)
(BREAKS CIRCUIT WHEN
ACTIVATED)
3
2
BR
1
ST
OP
CL
A
A
B TO OPEN
B TO CLOSE
NOTES:
1-WIRE-NOT FURNISHED WHEN EXTERNAL INTL'K SWITCH IS USED.
- NOT FURNISHED WHEN STOP BUTTON IS USED.
2- WIRE-NOT FURNISHED WHEN TIMER DEFEAT SWITCH IS USED.
3a- MOVE THIS JUMPER FROM #7 TO #8 IF ALL OBSTRUCTIONS SENSORS
ARE 2-WIRE TYPE.
3b-REMOVE JUMPER IF ANY 3-WIRE DEVICES ARE USED.
A-TREADLES,PULL SWITCHES, KEY SWITCHES, PHOTO-ELECTRIC DEVICES,
ETC. MAY BE CONNECTED TO TERMINALS INDICATED.
B-REMOTE CONTROL UNITS (EXCLUDING TREADLES AND PHOTO-ELECTRIC UNITS). PULL SWITCHES
AND SINGLE CONTACT CONTROL STATIONS, MAY BE CONNECTED TO TERMINALS INDICATED.
2
7
6
3
8
2
9
3
SER
NO
C
NC
IR
NO
C
NC
OR
C
Copyright PowerMaster 1997
No portion of this diagram may be reproduced without the
expressed written permission of the manufacturer.
3
Y/W
SE
6
510
BK
WH
6
4
7
14
WH
WH
WH
7
3
WIRING DIAGRAM - SINGLE PHASE 331-3
18