EasyManua.ls Logo

Powermatic DDS-225 - Page 37

Powermatic DDS-225
44 pages
Print Icon
To Next Page IconTo Next Page
To Next Page IconTo Next Page
To Previous Page IconTo Previous Page
To Previous Page IconTo Previous Page
Loading...
37
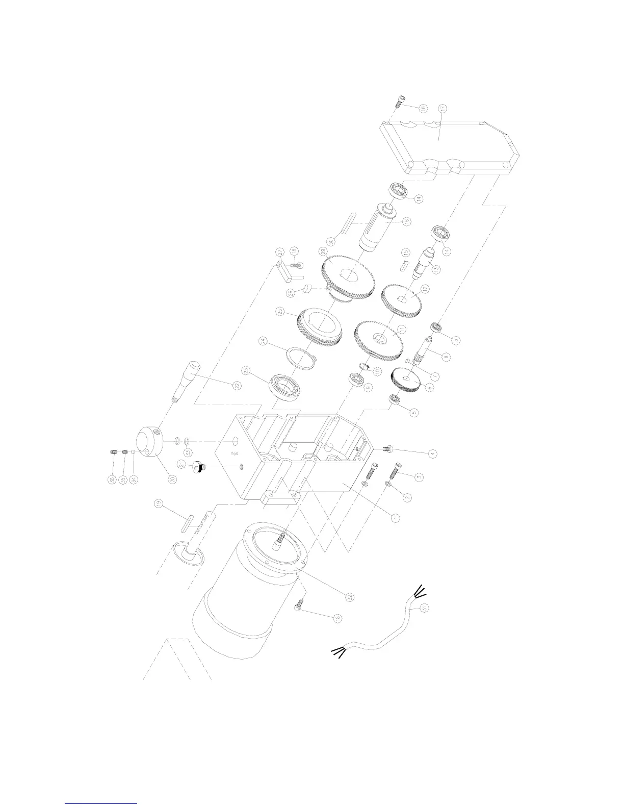
Gearbox Assembly – DDS-237

Related product manuals