EasyManua.ls Logo

Powermatic DDS-225 - Wiring Diagram

Powermatic DDS-225
44 pages
Print Icon
To Next Page IconTo Next Page
To Next Page IconTo Next Page
To Previous Page IconTo Previous Page
To Previous Page IconTo Previous Page
Loading...
39
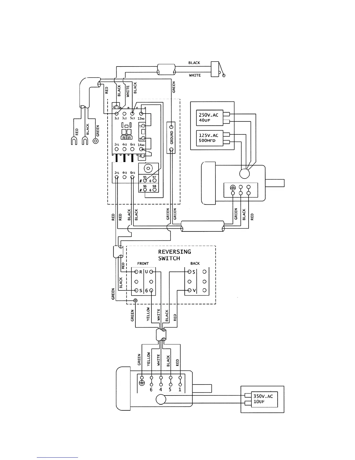
Wiring Diagram
DDS-225 Sander

Related product manuals