EasyManua.ls Logo

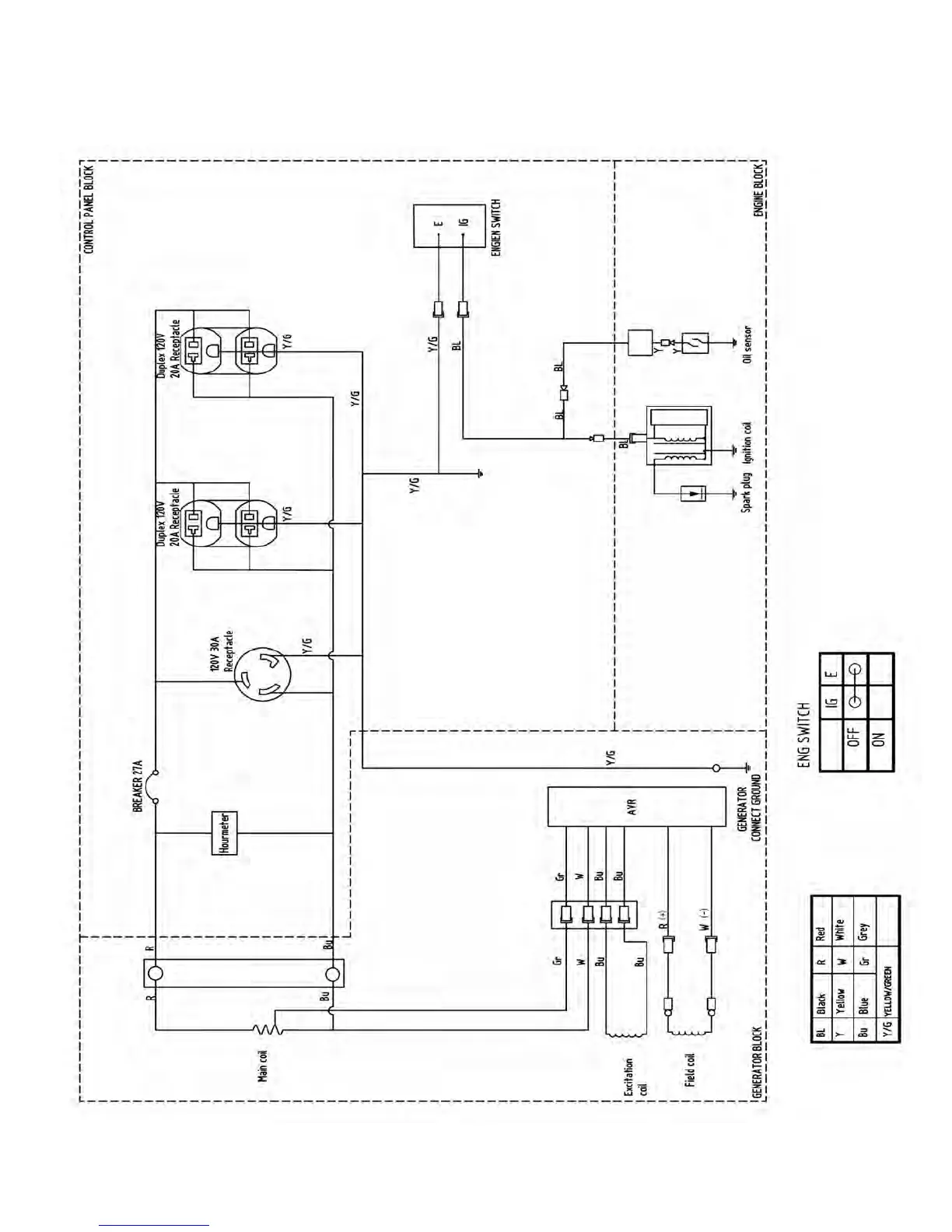
PowerPro Technology 4050 - Wiring Diagram

PowerPro Technology 4050
40 pages
Print Icon
To Next Page IconTo Next Page
To Next Page IconTo Next Page
To Previous Page IconTo Previous Page
To Previous Page IconTo Previous Page
Loading...
WIRING DIAGRAM
32

Related product manuals