EasyManua.ls Logo

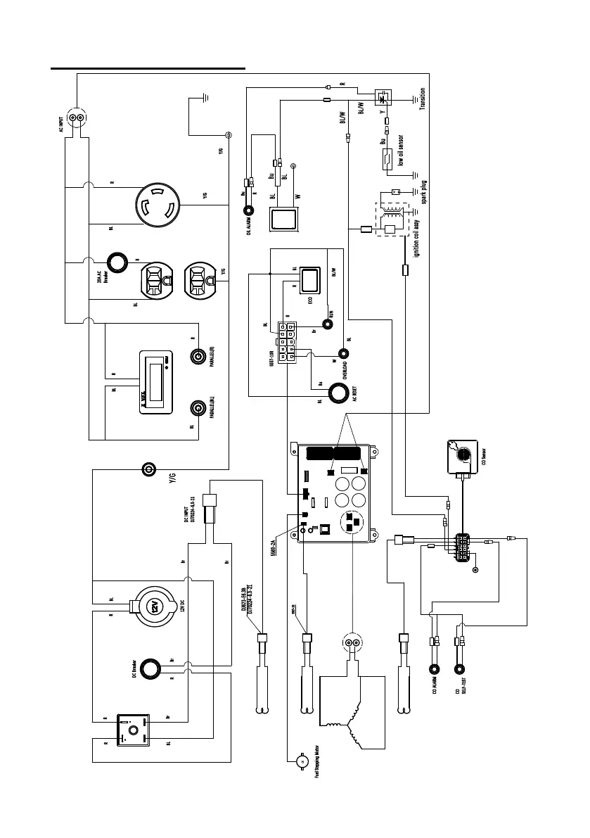
Powersmart MB5040C - Wiring Diagram

Powersmart MB5040C
36 pages
Print Icon
To Next Page IconTo Next Page
To Next Page IconTo Next Page
To Previous Page IconTo Previous Page
To Previous Page IconTo Previous Page
Loading...
WIRING DIAGRAM
30

Related product manuals