EasyManua.ls Logo

Powersmart PSSMN24 - Exploded View and Parts List

Powersmart PSSMN24
79 pages
Print Icon
To Next Page IconTo Next Page
To Next Page IconTo Next Page
To Previous Page IconTo Previous Page
To Previous Page IconTo Previous Page
Loading...
16
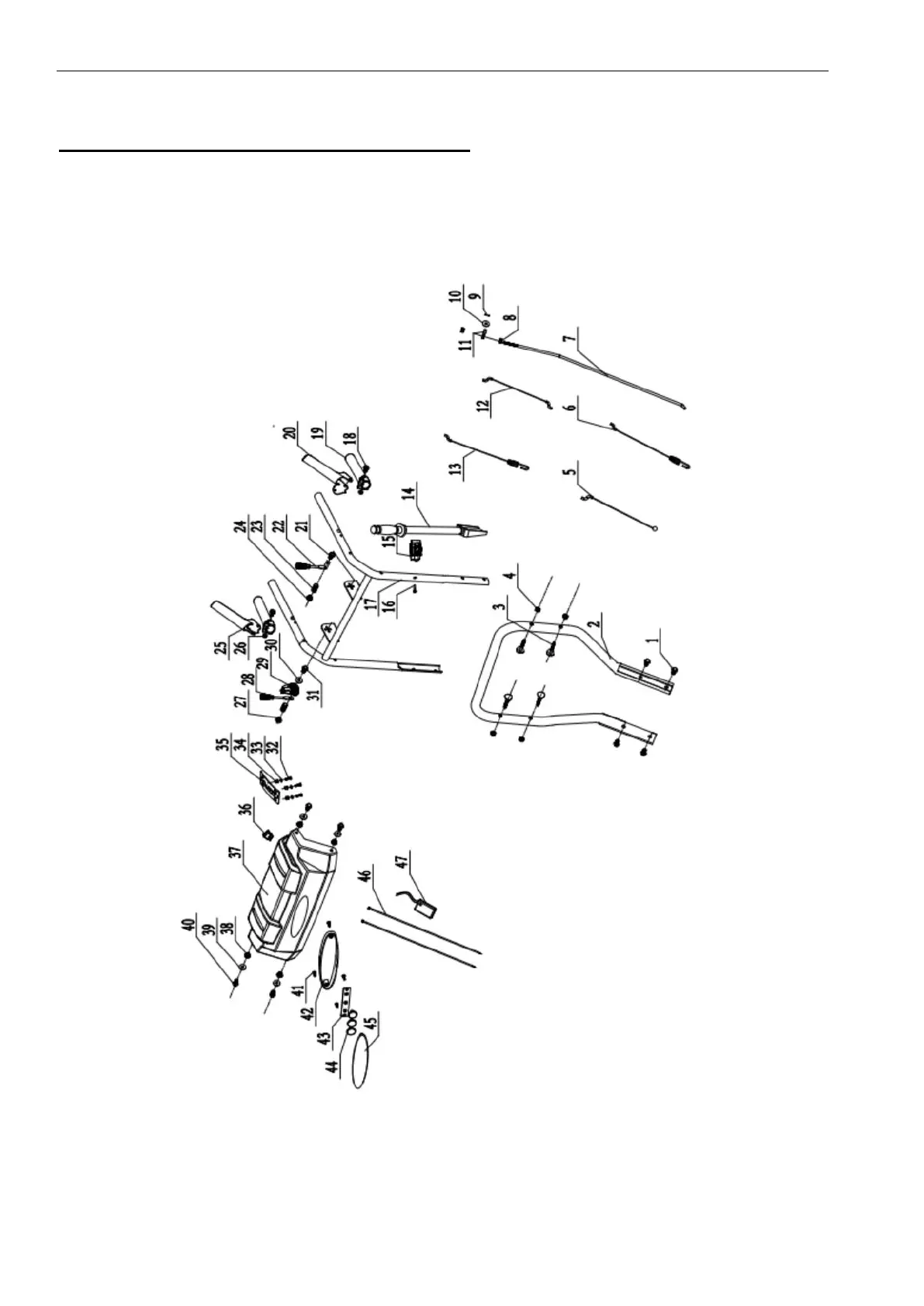
EXPLODED VIEW AND PARTS LIST
PANEL ASSEMBLY

Related product manuals