EasyManua.ls Logo

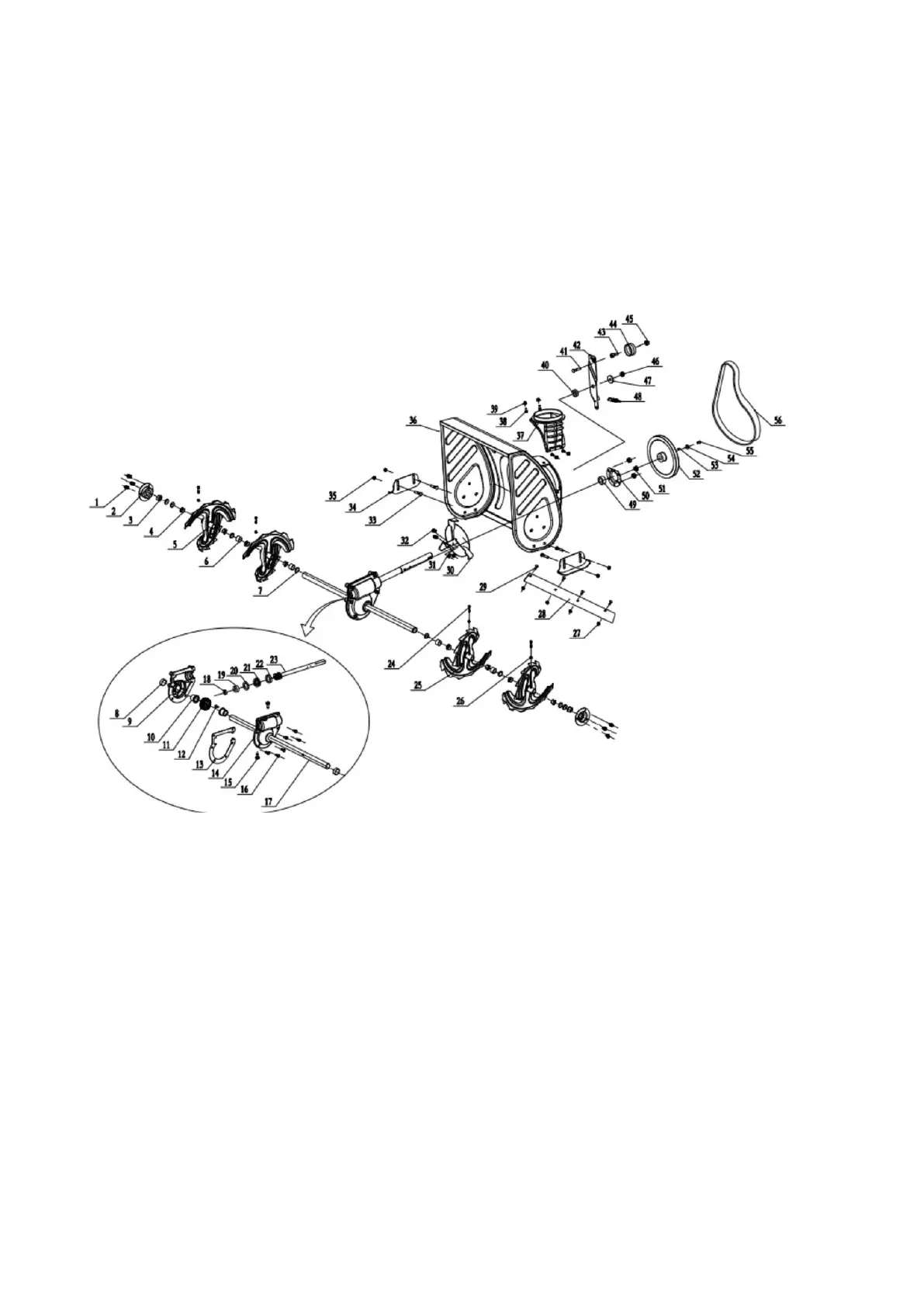
Powersmart PSSW24 - Auger Housing Assembly

Powersmart PSSW24
40 pages
Print Icon
To Next Page IconTo Next Page
To Next Page IconTo Next Page
To Previous Page IconTo Previous Page
To Previous Page IconTo Previous Page
Loading...
32
Auger Housing Assembly

Related product manuals