EasyManua.ls Logo

PPE MFT1230C - Working Principle

PPE MFT1230C
31 pages
Print Icon
To Next Page IconTo Next Page
To Next Page IconTo Next Page
To Previous Page IconTo Previous Page
To Previous Page IconTo Previous Page
Loading...
e-mail: sales@ppe.com
W
6385 MONTESSOURI STREET
LAS VEGAS, NEVADA 89113-1186
TOLL FREE: 800
-
258
-
8877
Order Fax: 800-223-8305
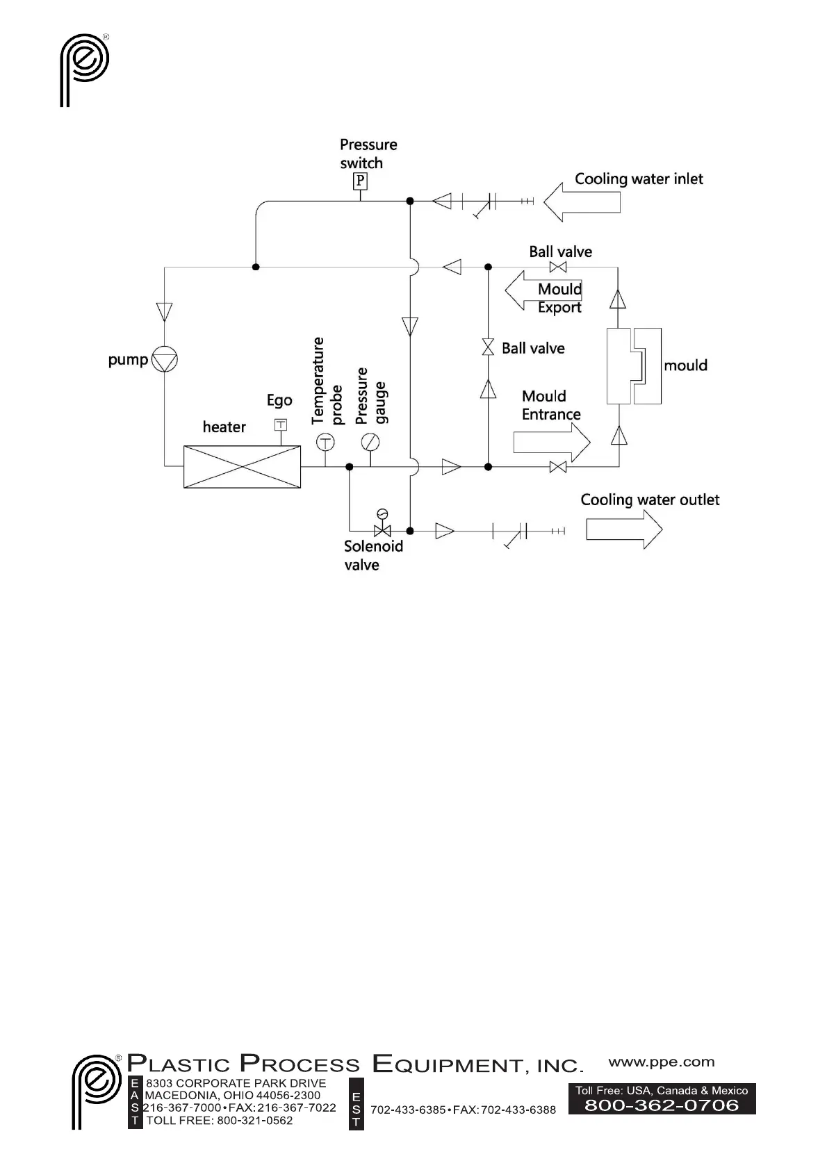
1.5 WORKING PRINCIPLE
Working principle diagram
The high temperature water flowing back from the mold flows into the mold temperature machine
through the pipe, and is pumped to the heater, and then sent to the mold after heating, so as to
cycle. In this process, if the temperature of high-temperature water is too high, the system will
start the solenoid valve, and the cooling water will enter the system for direct cooling, so as to
reduce the temperature of high-temperature water, so as to achieve the goal of constant
temperature control; if the temperature of high-temperature water is still maintained at high
temperature to (EGO) set temperature value, the system starts high temperature alarm and
stops; when the cooling water pressure does not reach the set value of the pressure switch, the
machine will alarm and stop.
6