EasyManua.ls Logo

PR electronic 2204 - Block Diagram; Order

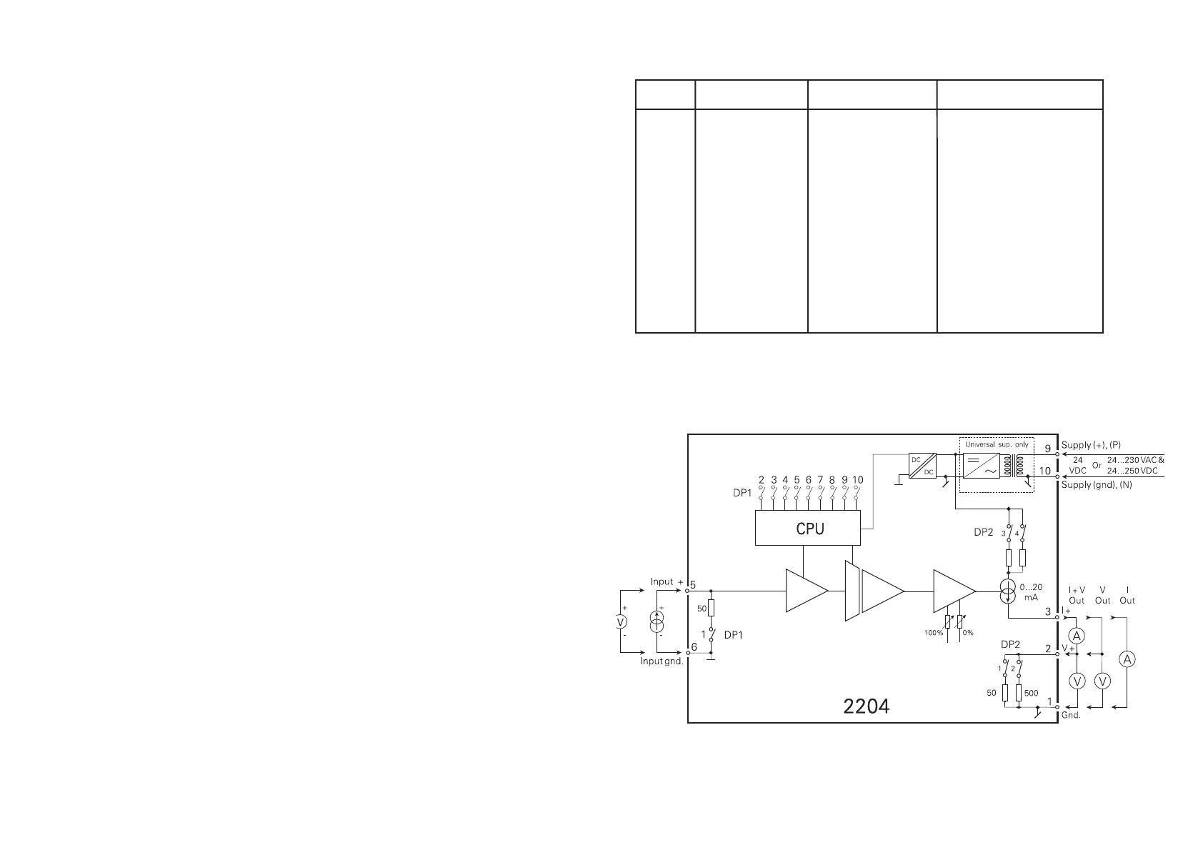
PR electronic 2204
Print Icon
To Next Page IconTo Next Page
To Next Page IconTo Next Page
To Previous Page IconTo Previous Page
To Previous Page IconTo Previous Page
Loading...
23
ORDER:
BLOCK DIAGRAM:
Input:
Current:
Measurement range .................................... 0...50 mADC
Min. measurement range (span).................. 4 mADC
Max. offset................................................... 20% of max. value
Input resistance ........................................... Nom. 50
Voltage:
Measurement range .................................... 0...10 VDC
Min. measurement range (span).................. 0.2 VDC
Max. offset................................................... 20% of max. value
Input resistance ........................................... 10 M
Output:
Current output:
Signal ranges ............................................... 0...5 mA / 0...20 mA
Min. measurement range (span).................. 4 mA / 16 mA
Max. offset................................................... 20% of max. value
Load (max.) .................................................. 20 mA / 600 / 12 VDC
Load stability ............................................... < ±0.01% of span / 100
Current limit ................................................. 23...28 mA
Voltage output through internal shunt:
Signal ranges ............................................... 0...0.25V / 0...1V / 0...2.5V / 0...10V
Min. measurement range (span).................. 0.2 V / 0.8 V / 2.0 V / 8.0 V
Max. offset................................................... 20% of max. value
Load (min.) ................................................... 500 k
Output resistance ........................................ 50 / 500
GOST R approval:
VNIIM, Cert. no. ........................................... See www.prelectronics.com
Observed authority requirements: Standard:
EMC 2004/1086/EC .................................... EN 61326-1
LVD 2006/95/EC .......................................... EN 61010-1
PELV/SELV ................................................... IEC 364-4-41 and EN 60742
Of span = Of the presently selected range
22
Type Input Output Supply
2204 0...20 mA : A
4...20 mA : B
0...1 V : C
0.2...1 V : D
0...10 V : E
2...10 V : F
Special : X
Special : 0
0...20 mA : 1
4...20 mA : 2
0...5 mA : 3
0...1 V : 4
0.2...1 V : 5
0...10 V : 6
2...10 V : 7
24 VDC : D
24...230 VAC & : P
24...250 VDC