EasyManua.ls Logo

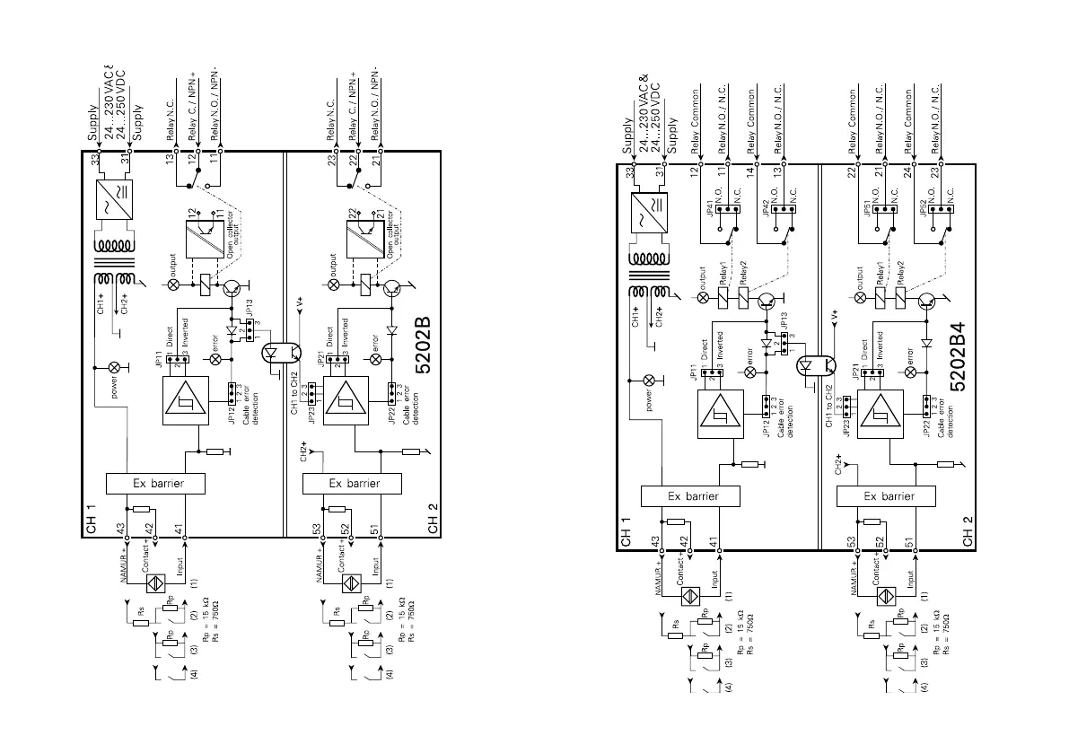
PR electronics 5202B - Block Diagrams; 5202 B1 and 5202 B2; 5202 B4

PR electronics 5202B
9 pages
Print Icon
To Next Page IconTo Next Page
To Next Page IconTo Next Page
To Previous Page IconTo Previous Page
To Previous Page IconTo Previous Page
Loading...
30
31
BLOCK DIAGRAM: 5202B4BLOCK DIAGRAM: 5202B1 AND 5202B2

Related product manuals