EasyManua.ls Logo

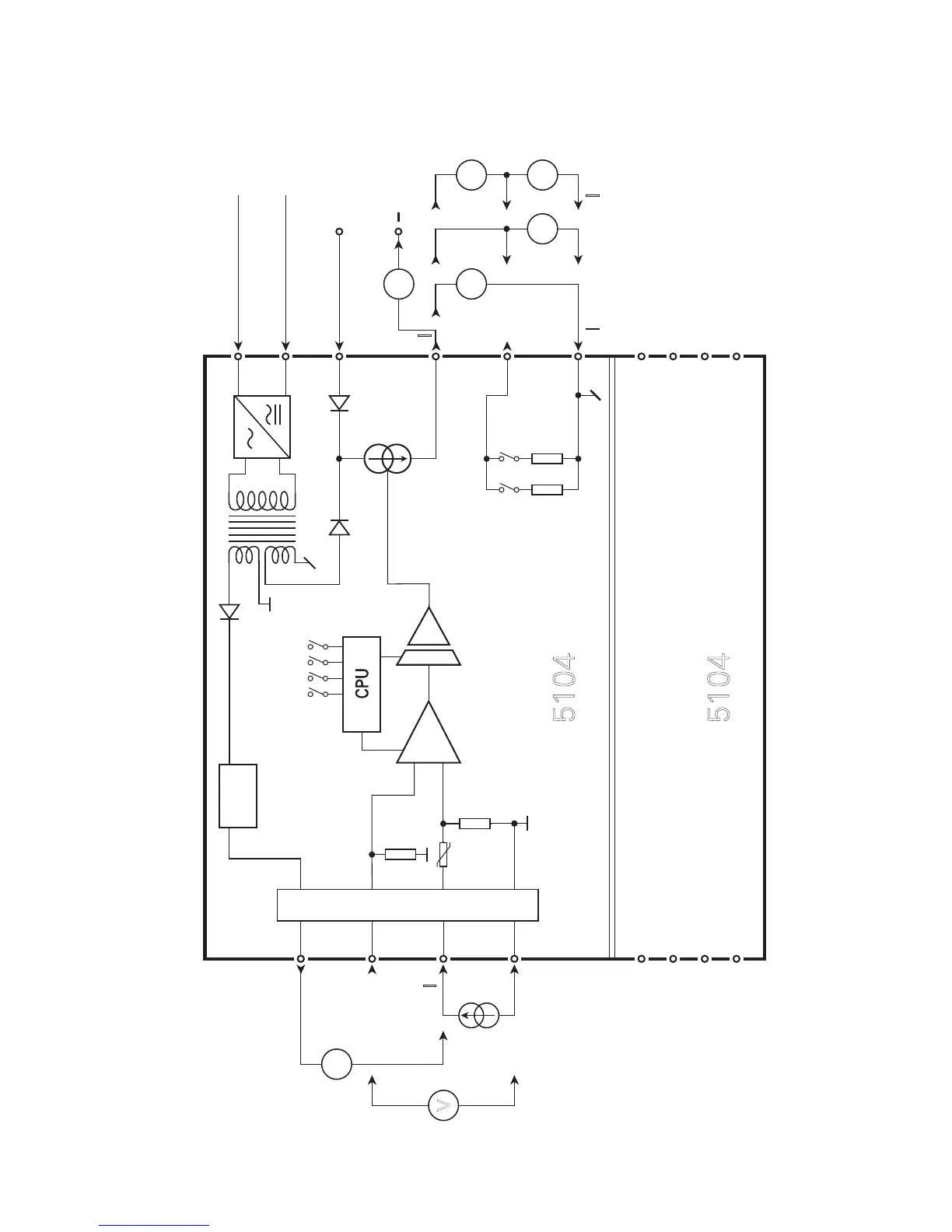
PR 5104 - BLOCK DIAGRAM

PR 5104
19 pages
Print Icon
To Next Page IconTo Next Page
To Next Page IconTo Next Page
To Previous Page IconTo Previous Page
To Previous Page IconTo Previous Page
Loading...
14 5104V104-UK
BLOCK DIAGRAM
V
m A
m A
m A
V
500 50
I +
V +
5 1 0 4
5 1 0 4
0 . . . 2 0
m A
DP2
DP4
DP1
DP3
CH 1
CH 2
1 2
3
4
1
2
T x
+
-
+
-
V
+
-
33
44
43
42
41
54
53
52
51
31
14
13
12
11
24
23
22
21
1 0
2 M
V r e g .
P T C
+
Supply
Supply
I
Output
V
Output
I + V
Output
Channel 1
Channel 2
Ex barrier, only 5104B
Gnd.
Loop supply
Input gnd.
Input +,V
Input +,I
2-wire
installation
24...230 VAC &
24...250 VDC

Related product manuals