EasyManua.ls Logo

Premium PPA9004J - Wiring Diagram

Premium PPA9004J
23 pages
Print Icon
To Next Page IconTo Next Page
To Next Page IconTo Next Page
To Previous Page IconTo Previous Page
To Previous Page IconTo Previous Page
Loading...
11
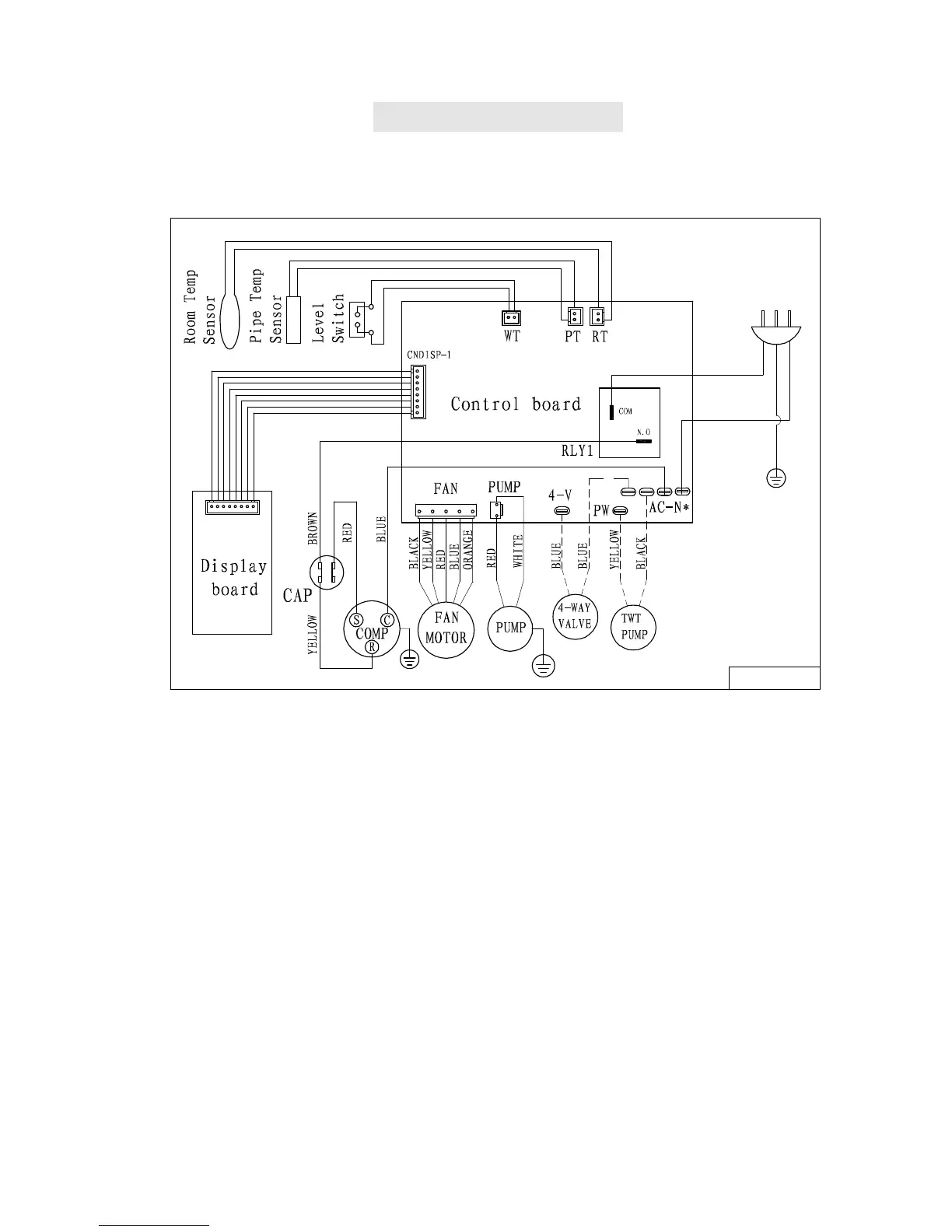
WIRING DIAGRAM
PPA1004J
Remarks:
The wiring diagram is for maintenance purpose only.

Related product manuals