EasyManua.ls Logo

Pride Victory 9 - Page 20

Pride Victory 9
21 pages
Print Icon
To Next Page IconTo Next Page
To Next Page IconTo Next Page
To Previous Page IconTo Previous Page
To Previous Page IconTo Previous Page
Loading...
ELEASMB5404-
CONSOLE
S-DRIVE
CONTROLLER
HORN
BUTTON
HORN
BUTTON
HEADLIGHT
SWITCH
THROTTLE
POT
KEY
SWITCH
VOLT
METER
HORN
CHARGER
PORT
CIRCUIT
BREAKER
SPEED
POT
TILLER
FUSE
BLOCK
TO BATTERY
DWR9555H001
ELEMETR1017
ELEASMB5675
ELEASMB5676
DWR9966H004
DWR9555H018
DWR9966H023
DWR9966H001
ELEASMB5483
DWR9966H002
DWR9555H018
DWR9966H009
HARUSHD2253
HARUSHD2253
DWR9555H033
SWTROCK1006
DWR99966H022
17
18
10
16a
15a
10h
7e
7f
10c
10b
10a
7d
7c
6c
6b
3g
3b
3a
3d 3c
6a
5d
3f
5c
5b 3e
6
3
5
7b
9a
9b
9
8
8a
8b
8c
8d 8e
7a
7
19
19a
5a
1a-
1c
2c
4a
4b
1
2
4
1b+
2a-
2b+
22
20
20a 21a
10d14a
14
10e
10f
10g
16c
11a
11
12
13
13a
12b
12a
11b
18a
18b
18c
17a
15
16b
16e 16d
16
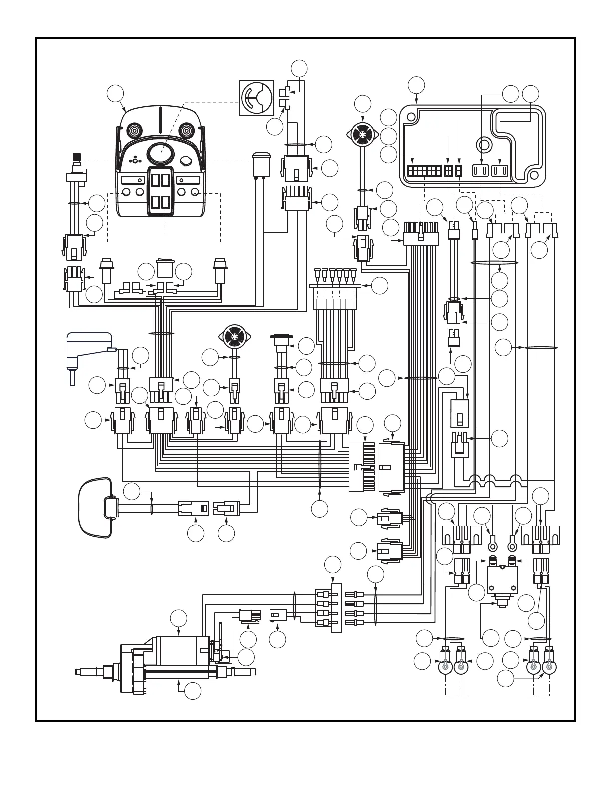
Diagram 3. Victory 10 2D Wiring Diagram

Related product manuals