EasyManua.ls Logo

Pro-face GP-4501T - Connecting the Power Supply

Pro-face GP-4501T
241 pages
Print Icon
To Next Page IconTo Next Page
To Next Page IconTo Next Page
To Previous Page IconTo Previous Page
To Previous Page IconTo Previous Page
Loading...
GP4000 Series Hardware Manual
147
Connecting the Power Supply
Precautions
z You must use a 24 Vdc input unit with a Class 2 power supply.
z To increase the electromagnetic noise resistance, make sure you twist the ends
of the power cord wires before connecting them to the power plug or ring terminal.
z The GP unit’s power supply cord should not be bundled with or kept close to main
circuit lines (high voltage, high current), or input/output signal lines.
z Connect a lightning surge absorber to handle power surges.
z To reduce electromagnetic noise, make the power cord as short as possible.
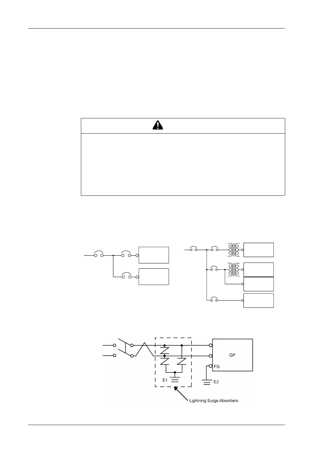
Power Supply Connections
When supplying power to the GP unit, separate the input/output and power lines, as
shown.
NOTE:
The following shows a lightning surge absorber connection:
WARNING
SHORT CIRCUIT, FIRE, OR UNINTENDED EQUIPMENT OPERATION
Avoid excessive force on the power cable to prevent accidental disconnection
z Securely attach power cables to the GP unit or cabinet.
z Use the designated torque to tighten the unit terminal block screws.
z Install and fasten the GP unit on installation panel or cabinet prior to connecting
power supply and communication lines.
Failure to follow these instructions can result in death, serious injury, or
equipment damage.
0DLQ&LUFXLW
7
7
0DLQ
3RZHU
*3
3RZHU
,QSXW
2XWSXW
3RZHU
,QSXW2XWSXW
8QLW
,QSXW2XWSXW
8QLW
2SHUDWLRQ
8QLW
*3XQLW
*3XQLW
*33RZHU
,QSXW2XWSXW
3RZHU
0DLQ3RZHU
,QSXW2XWSXW
8QLW

Table of Contents

Other manuals for Pro-face GP-4501T

Related product manuals