EasyManua.ls Logo

Pro-Form 625 Treadmill - Page 25

Pro-Form 625 Treadmill
26 pages
Print Icon
To Next Page IconTo Next Page
To Next Page IconTo Next Page
To Previous Page IconTo Previous Page
To Previous Page IconTo Previous Page
Loading...
107
109
87
77
117
117
110
76
89
89
46
46
116
50
89
46
46
46
121
30
97
101
96
97
101
83
83
82
101
16
101
94
101
91
99
62
72
105
16
34
107
85
76
90
76
79
79
104
104
9
78
48
85
111
76
76
56
115
95
97
101
20
86
15
20
97
101
122
103
123
124
103
123
124
34
101
15
95
86
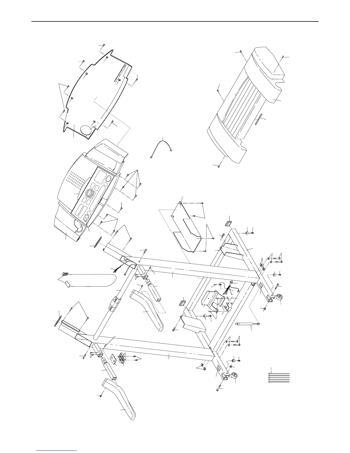
EXPLODED DRAWING—Model No. PFTL62510KD R0203A

Related product manuals