EasyManua.ls Logo

Pro-Form PFES80040 - Page 27

Pro-Form PFES80040
30 pages
Print Icon
To Next Page IconTo Next Page
To Next Page IconTo Next Page
To Previous Page IconTo Previous Page
To Previous Page IconTo Previous Page
Loading...
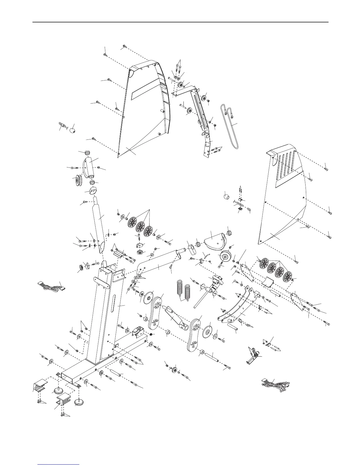
EXPLODED DRAWING—Model No. PFES80040 R1204A
82
85
1
19
137
85
85
91
51
173
51
168
62
174
122
15
125
85
85
119
137
85
20
21
55
50
50
90
52
75
13
87
107
133
1
135
57
57
115
56
56
53
53
106
168
86
86
86
86
86
86
86
48
48
85
85
97
49
59
100
92
77
176
104
50
50
90
52
58
58
75
12
61
61
76
60
92
92
124
79
123
55
87
127
81
81
51
51
51
172
168
127
118
88
132
189
135
96
161
161
134
168
86
168
119
125
119
123
131
131
114
114
121
136
136
136
138
85
59
60
111
60
78
78
100
100
82
82
82
82
82
82
106
82
118
162
162
96
132
186
186
186
168
168
116
120
166
170
126
178
168
104
138
177
177
176
190
106
172
111
169
139
139
127
189
69
37
186
81
90
90
186
81
191
194
193
191
192
195

Related product manuals