EasyManua.ls Logo

Pro-Form PFES80040 - Page 28

Pro-Form PFES80040
30 pages
Print Icon
To Next Page IconTo Next Page
To Next Page IconTo Next Page
To Previous Page IconTo Previous Page
To Previous Page IconTo Previous Page
Loading...
156
4
40
41
40
171
38
39
39
81
14
19
46
36
108
24
33
34
35
85858585
85858585
85858585
85858585
117
117
85
26
108
142
23
130
130
130
30
66
143
180
67
29
68
153
153
18
127
127
68
180
67
29
66
30
70
70
84
84
31
155
155
95
83
83
83
83
65
65
83
64
83
149
9
47
47
81
81
85
130
144
32
46
81
81
128
128
85
85
8585
8585
8585
126
65
65
65
109
112
112
113
113
93
102
63
108
143
143
147
147
147
146
148
25
2
145
150
151
179
179
182
185
181
129
140
95
152
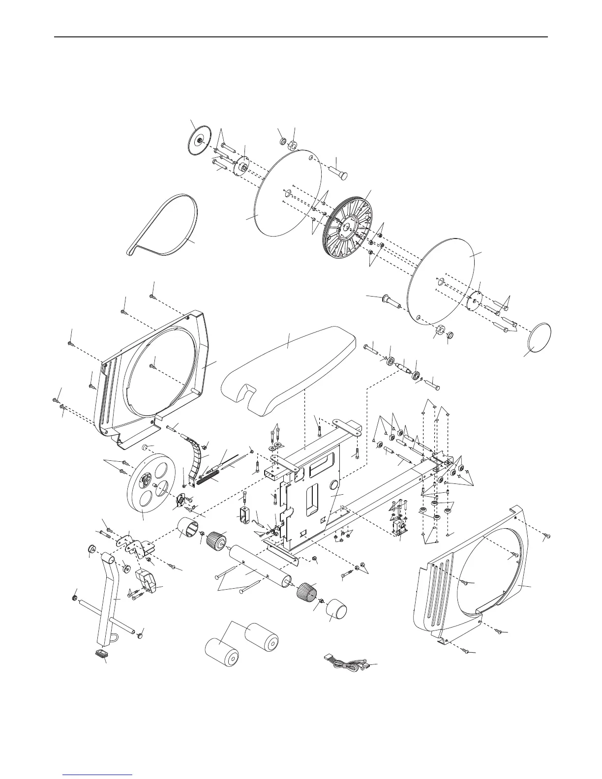
EXPLODED DRAWING—Model No. PFES80040 R1204A

Related product manuals