EasyManua.ls Logo

pro.point 8553521 - Page 12

pro.point 8553521
28 pages
Print Icon
To Next Page IconTo Next Page
To Next Page IconTo Next Page
To Previous Page IconTo Previous Page
To Previous Page IconTo Previous Page
Loading...
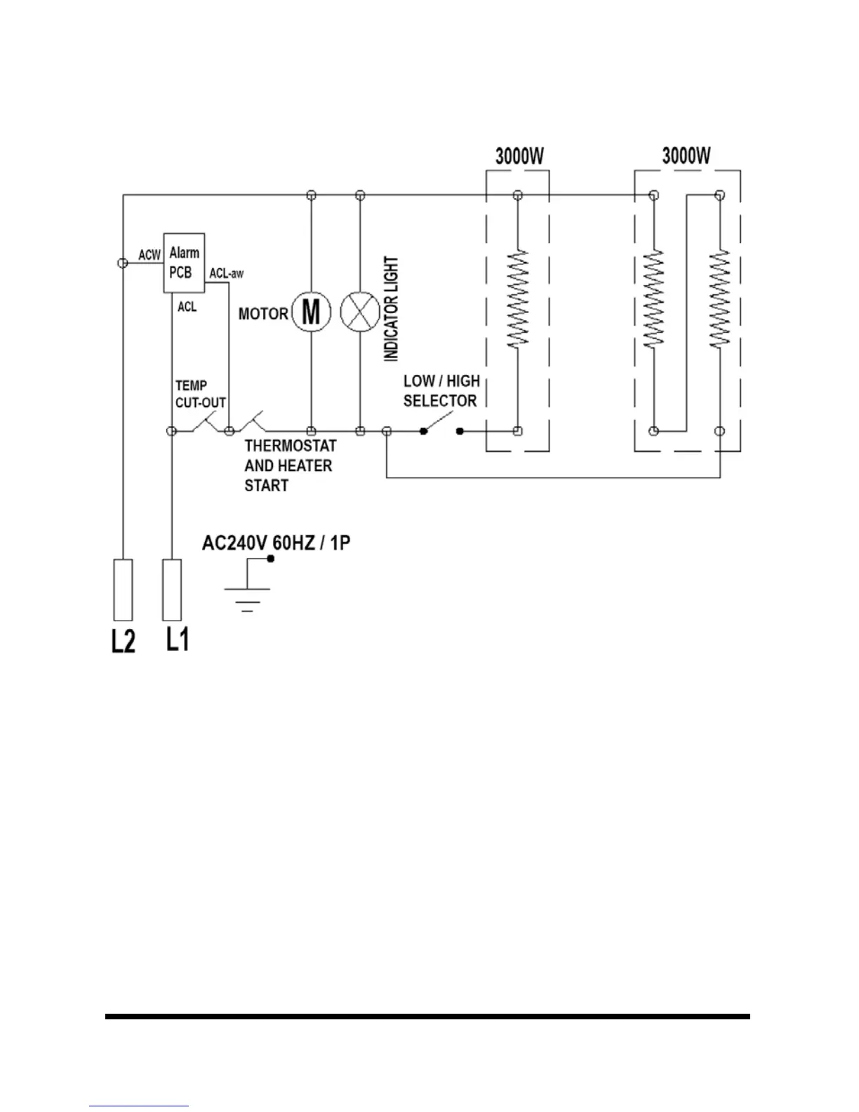
8553521 6,000W SHOP HEATER V1.0
12 For technical questions call 1-800-665-8685
APPENDIX A