EasyManua.ls Logo

Procopi pH 220 - Vue Éclatée

Procopi pH 220
Print Icon
To Next Page IconTo Next Page
To Next Page IconTo Next Page
To Previous Page IconTo Previous Page
To Previous Page IconTo Previous Page
Loading...
11/24
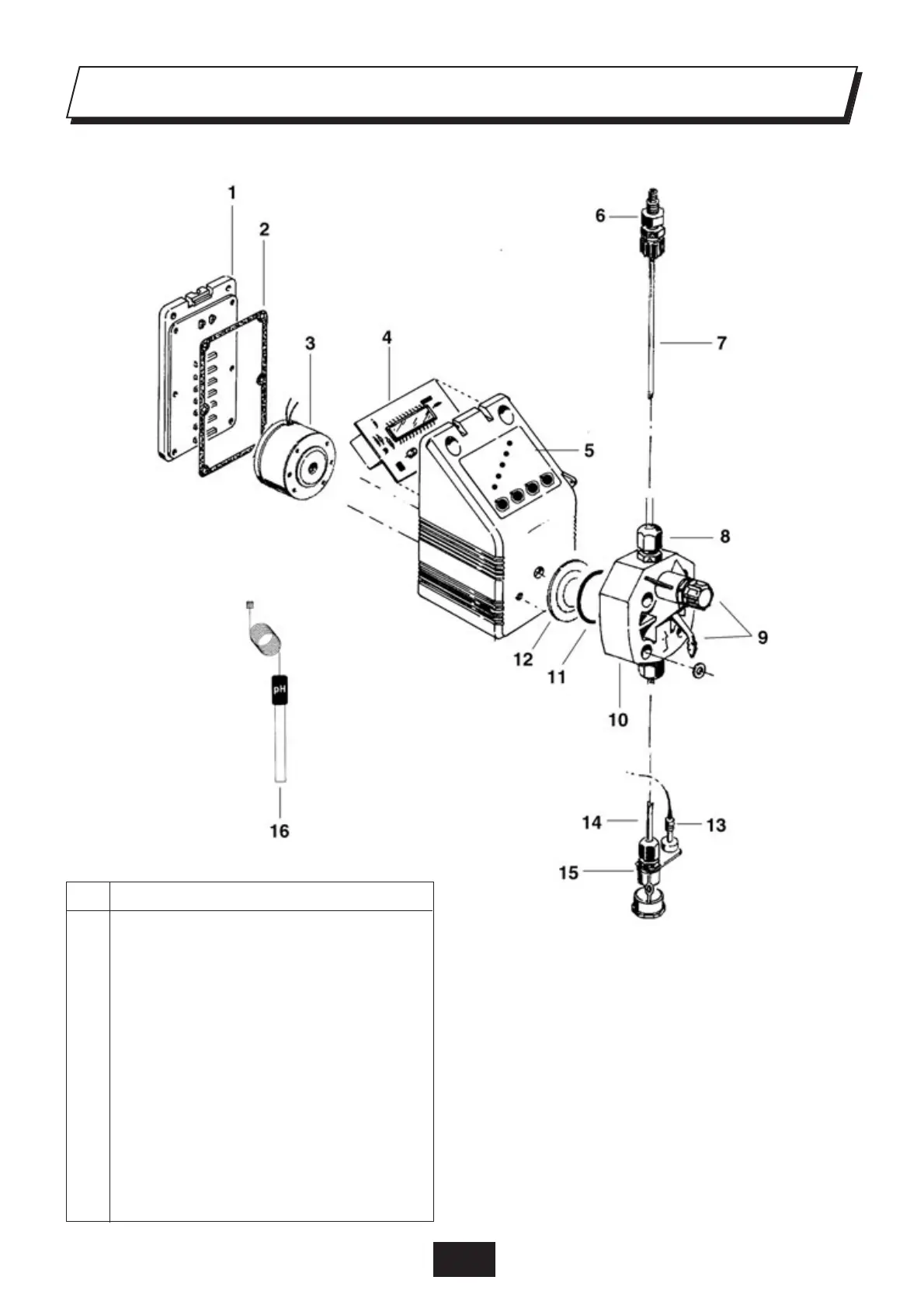
VUE ECLATEE
N° Désignation
1 Couvercle arrière
2 Joint de couvercle arrière
3 Electro-aimant
4 Circuit FMSPH pH
5 Panneau de commande
6 Canne d'injection
7 Tube de refoulement
8 Raccord corps de pompe
9 Purgeur d'air
10 Corps de pompe
11 Purgeur d'air
12 Membrane
13 Sonde de fin de bac
14 Tube d'aspiration
15 Crépine filtre
16 Sonde pH
2006/05 - Indice de révision : B - code : 0029570

Related product manuals