EasyManua.ls Logo

PROEL FSHIFTER - Come Utilizzare Il Sistema

PROEL FSHIFTER
Print Icon
To Next Page IconTo Next Page
To Next Page IconTo Next Page
To Previous Page IconTo Previous Page
To Previous Page IconTo Previous Page
Loading...
8
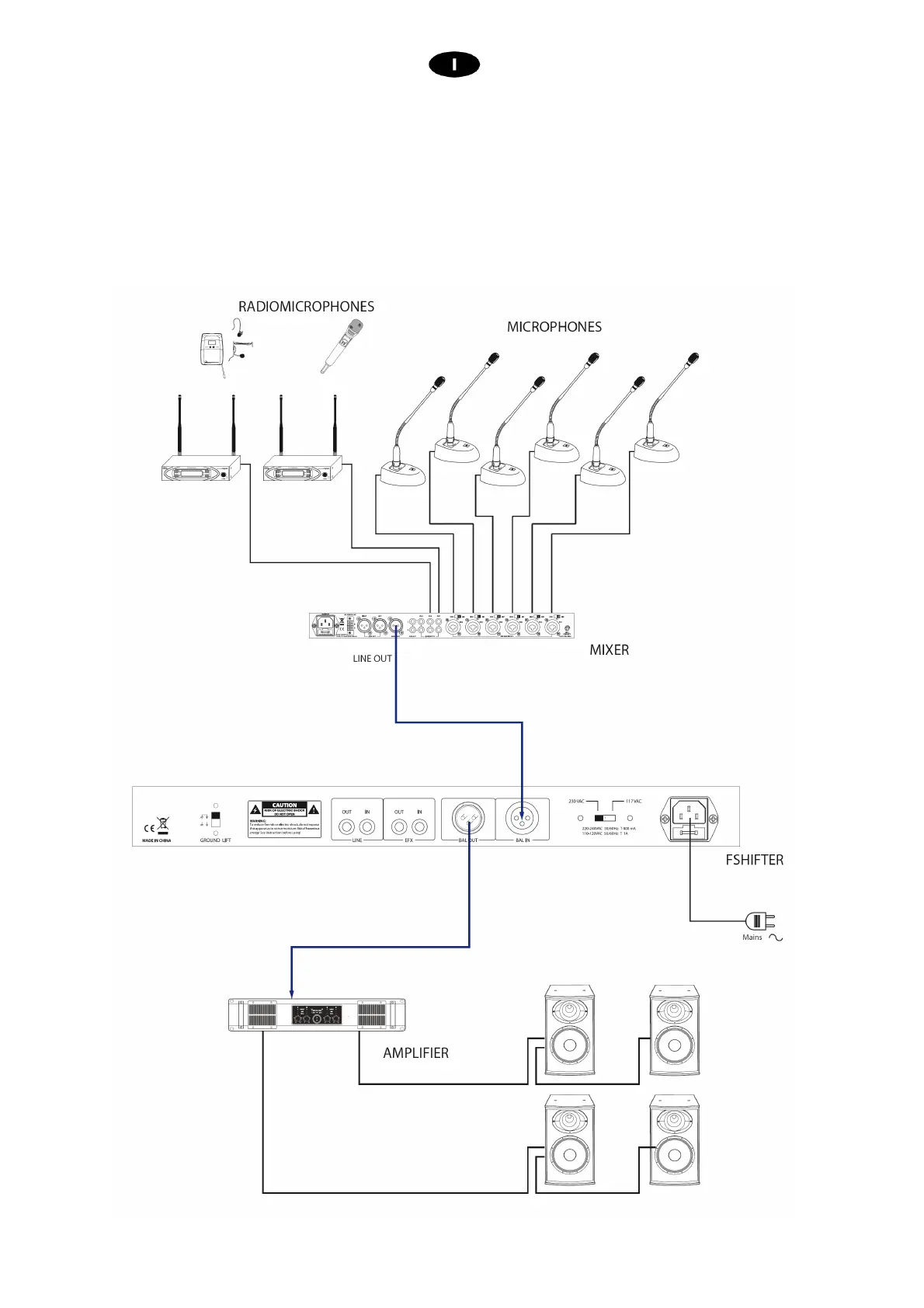
5. COME UTILIZZARE IL SISTEMA
Eseguire le connessioni come indicato nei seguenti schematici, collegare la spina (fig.2, rif.8) ad una presa di
alimentazione, portare l’interruttore principale (fig.1, rif.1) sulla posizione ON.
In presenza di effetto Larsen attivare la funzione di SHIFT mediante il tasto MODE (fig.1, rif.2), se anche con
lo SHIFT attivato siamo in presenza di effetto Larsen ridurre i guadagni dei microfoni sul mixer o i livelli di
amplificazione del segnale in uscita sullo stadio amplificatore.
SCHEMA DI UTILIZZO CON MIXER E AMPLIFICATORE