EasyManua.ls Logo

PROEL HPX2800 - HPX1200 Amplified Part Malfunction Analysis

PROEL HPX2800
24 pages
Print Icon
To Next Page IconTo Next Page
To Next Page IconTo Next Page
To Previous Page IconTo Previous Page
To Previous Page IconTo Previous Page
Loading...
16
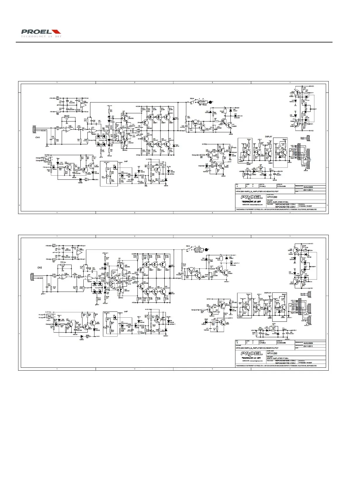
10HPX1200MalfunctionAnalysisonAmplifiedPart
10.1CircuitDiagramofAmplifier

Related product manuals