EasyManua.ls Logo

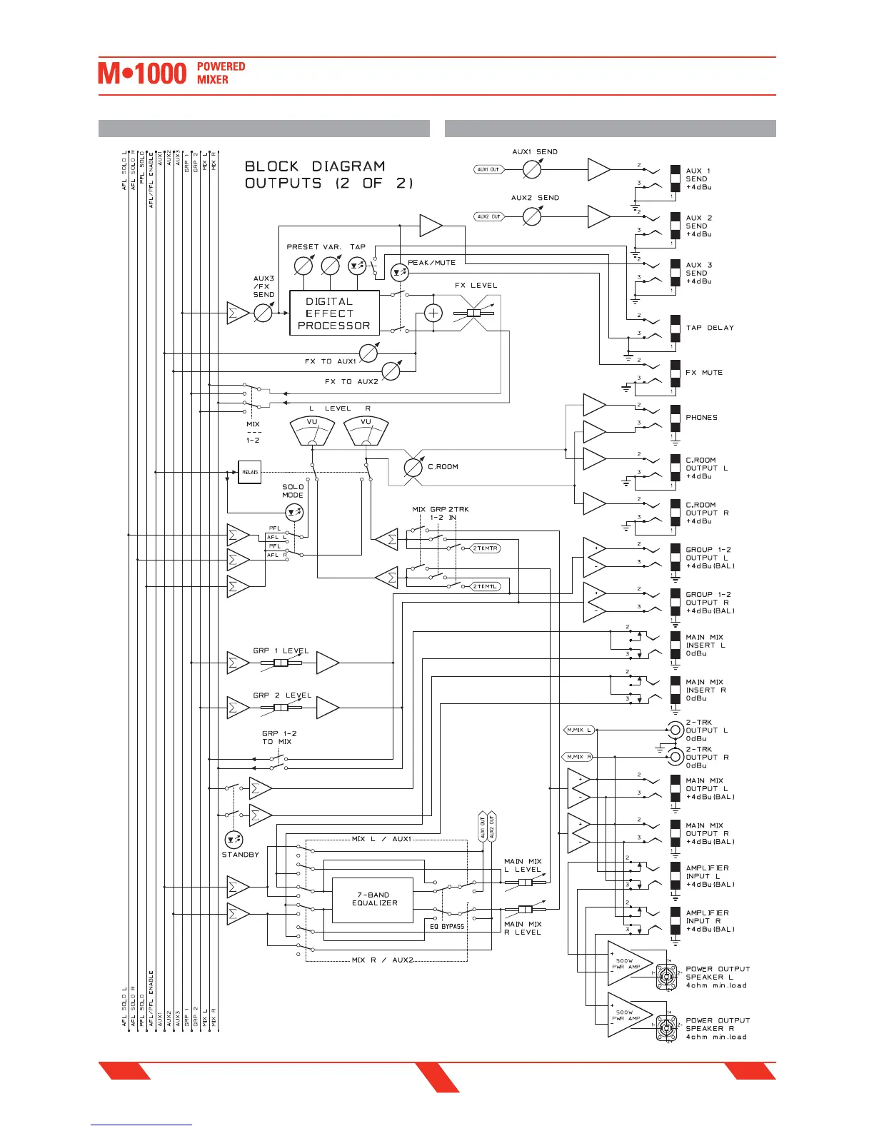
PROEL M-1000 - Block Diagram (Outputs Part 2 of 2); Diagramma a Blocchi (Uscite Parte 2 DI 2)

PROEL M-1000
36 pages
Print Icon
To Next Page IconTo Next Page
To Next Page IconTo Next Page
To Previous Page IconTo Previous Page
To Previous Page IconTo Previous Page
Loading...
33
ENG ITA
BLOCK DIAGRAM (OUTPUTS PART 2 OF 2) DIAGRAMMA A BLOCCHI (USCITE PARTE 2 DI 2)
BLOCK DIAGRAM
DIAGRAMMA A BLOCCHI

Related product manuals