EasyManua.ls Logo

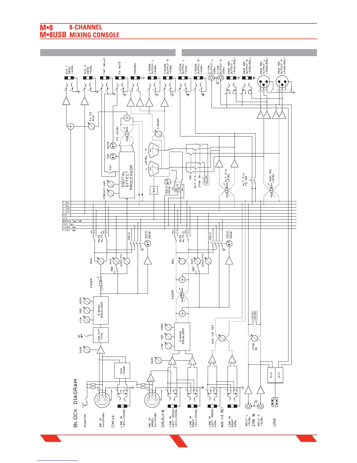
PROEL M-8 - Block Diagram; Mixer Signal Flow Diagram

PROEL M-8
30 pages
Print Icon
To Next Page IconTo Next Page
To Next Page IconTo Next Page
To Previous Page IconTo Previous Page
To Previous Page IconTo Previous Page
Loading...
27
ENG ITA
BLOCK DIAGRAM DIAGRAMMA A BLOCCHI
BLOCK DIAGRAM
DIAGRAMMA A BLOCCHI

Related product manuals