EasyManua.ls Logo

ProForm PFTL09911 - Page 29

ProForm PFTL09911
30 pages
Print Icon
To Next Page IconTo Next Page
To Next Page IconTo Next Page
To Previous Page IconTo Previous Page
To Previous Page IconTo Previous Page
Loading...
76
37
51
1
9
6
4
7
8
7
11
12
13
14
15
17
16
18
30
31
43
100
101
103
102
36
33
34
35
43
99
43
27
38
15
14
13
9
4
2
45
44
44
105
42
44
4
44
99
47
48
94
44
44
40
53
52
54
53
52
94
48
57
55
56
58
44
90
111
50
50
50
40
43
27
27
43
99
43
27
32
22
113
41
113
113
108
39
108
108
4
50
20
26
64
5
40
42
105
105
105
105
105
105
105
49
49
19
60
19
60
19
19
43
28
23
13
3*
24
114
29
68
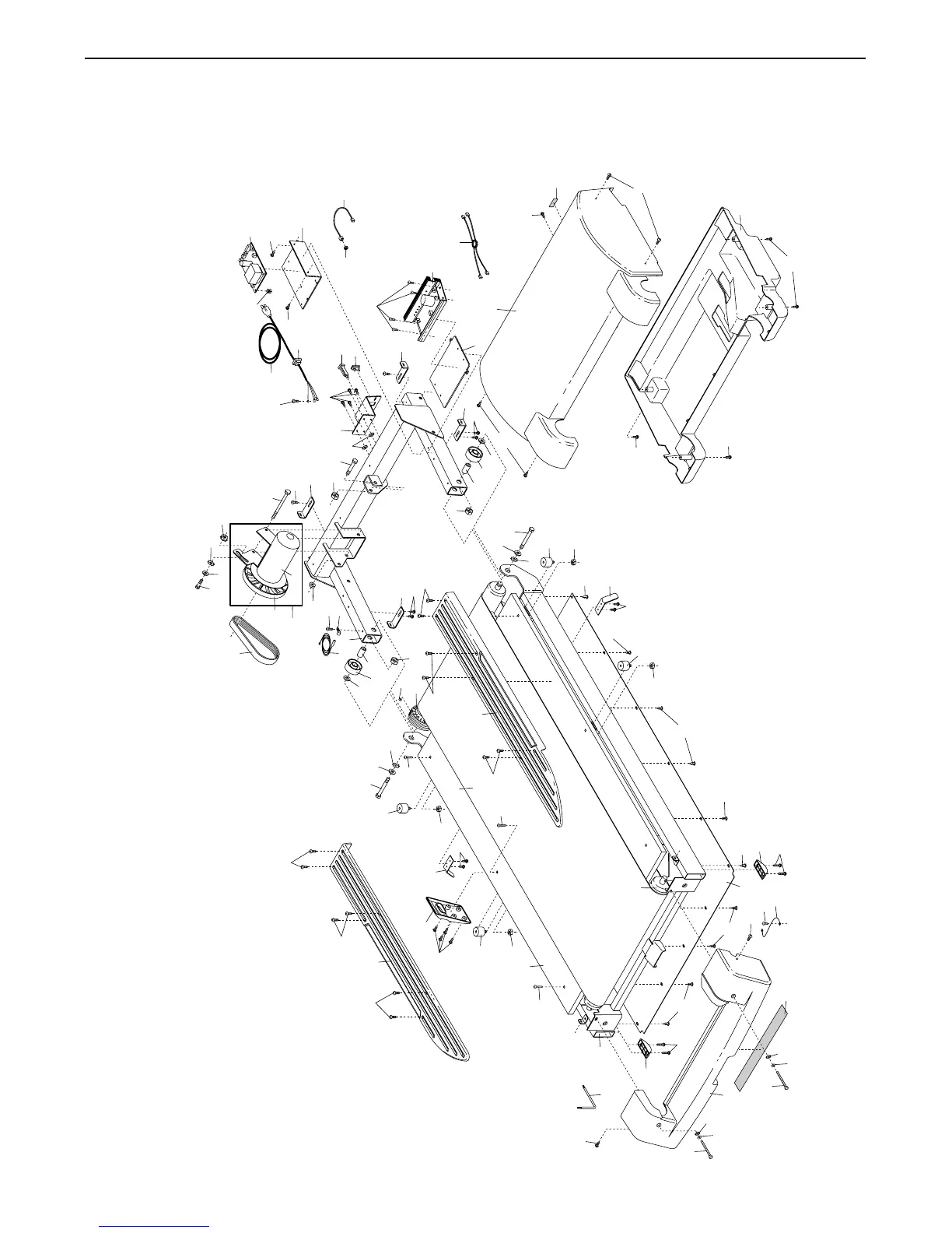
EXPLODED DRAWING—Model No. PFTL09911 R0402A

Related product manuals