EasyManua.ls Logo

ProFusion PS-10241 - Page 6

ProFusion PS-10241
13 pages
Print Icon
To Next Page IconTo Next Page
To Next Page IconTo Next Page
To Previous Page IconTo Previous Page
To Previous Page IconTo Previous Page
Loading...
6
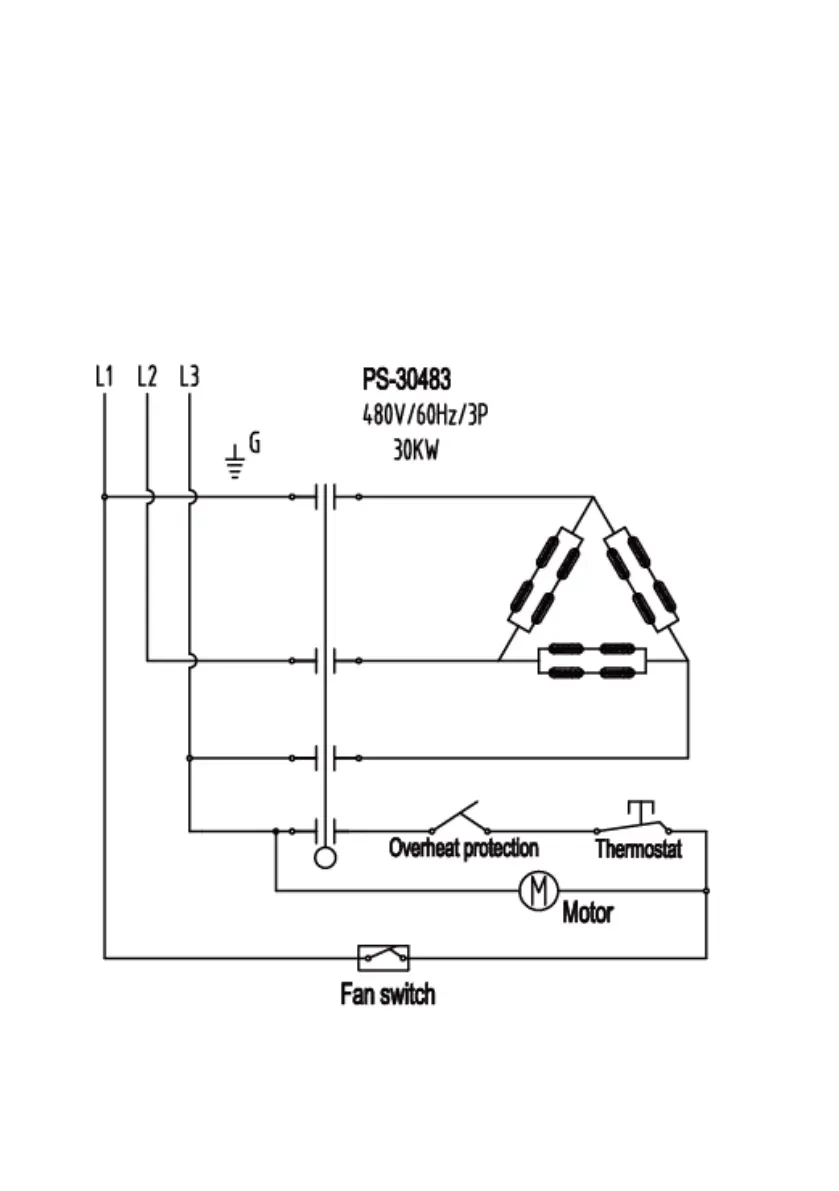
Model: PS-30483
MANUFACTURER No.: PS-30483W
Volt: 480 V, 3P
Watts: 30KW
Frequency: 60 Hz
Wiring diagram:

Related product manuals