EasyManua.ls Logo

Promax RG5410A-E - C) Wiring Diagram

Promax RG5410A-E
22 pages
Print Icon
To Next Page IconTo Next Page
To Next Page IconTo Next Page
To Previous Page IconTo Previous Page
To Previous Page IconTo Previous Page
Loading...
Advanced Test Products Europe RG5410A-E
- 13 -
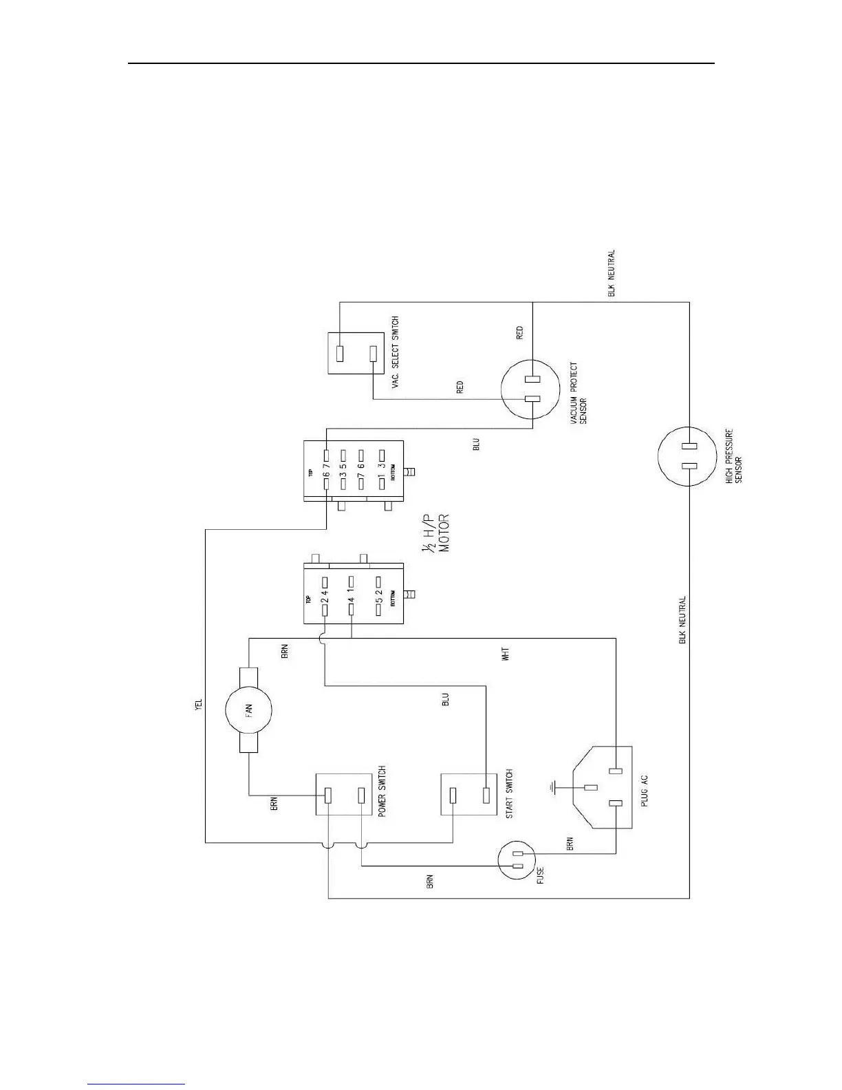
RG5410A-E WIRING DIAGRAM

Related product manuals