EasyManua.ls Logo

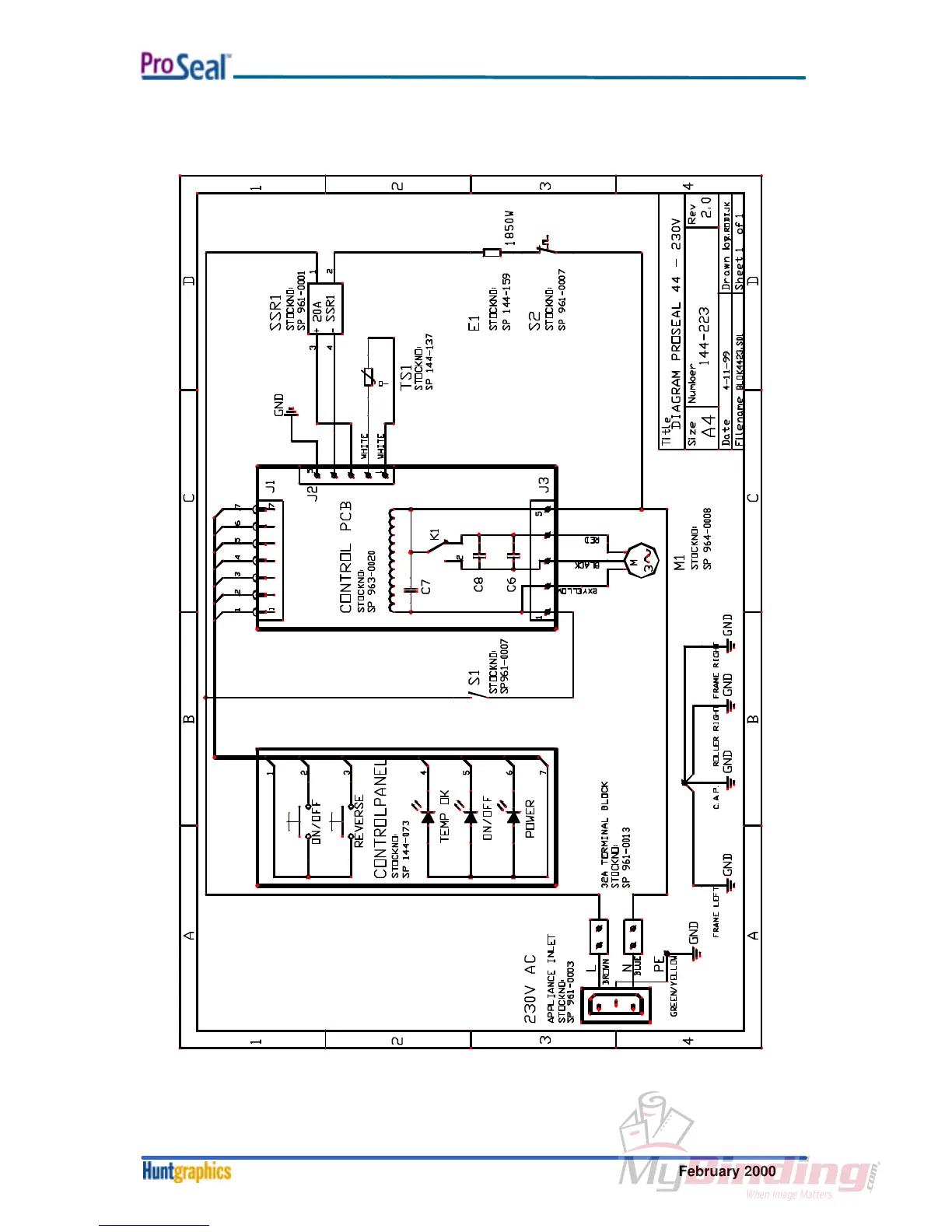
ProSeal 25 - 8-1-6. Schematic Installation Diagram ProSeal 44 - 230 V;50 Hz

ProSeal 25
43 pages
Print Icon
To Next Page IconTo Next Page
To Next Page IconTo Next Page
To Previous Page IconTo Previous Page
To Previous Page IconTo Previous Page
Loading...
Diagrams
February 20008-6
8-1-6. Schematic Installation Diagram ProSeal 44 - 230V/50Hz