EasyManua.ls Logo

protech SRT-2 - Page 18

protech SRT-2
36 pages
Print Icon
To Next Page IconTo Next Page
To Next Page IconTo Next Page
To Previous Page IconTo Previous Page
To Previous Page IconTo Previous Page
Loading...
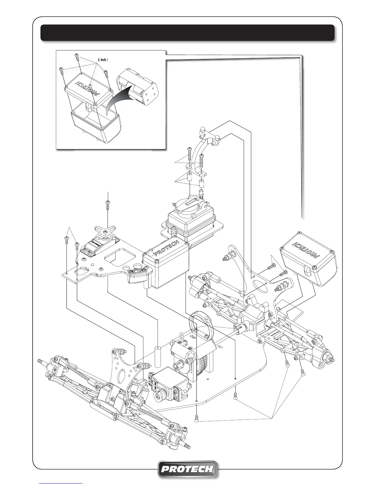
18 • SRT-2
Mounting the radio plate / Monteren van de radioplaat
Montierung des Radio Platine / Montage de la platine radio
T63.022
M3x10mm
2,9x9,5mm
2,9x19mm
2,9x13mm
2,9x9,5mm
2,9x9,5mm

Related product manuals