EasyManua.ls Logo

PRx Performance Profile ONE - Attach Multi-Grip to Uprights

PRx Performance Profile ONE
10 pages
Print Icon
To Next Page IconTo Next Page
To Next Page IconTo Next Page
To Previous Page IconTo Previous Page
To Previous Page IconTo Previous Page
Loading...
8
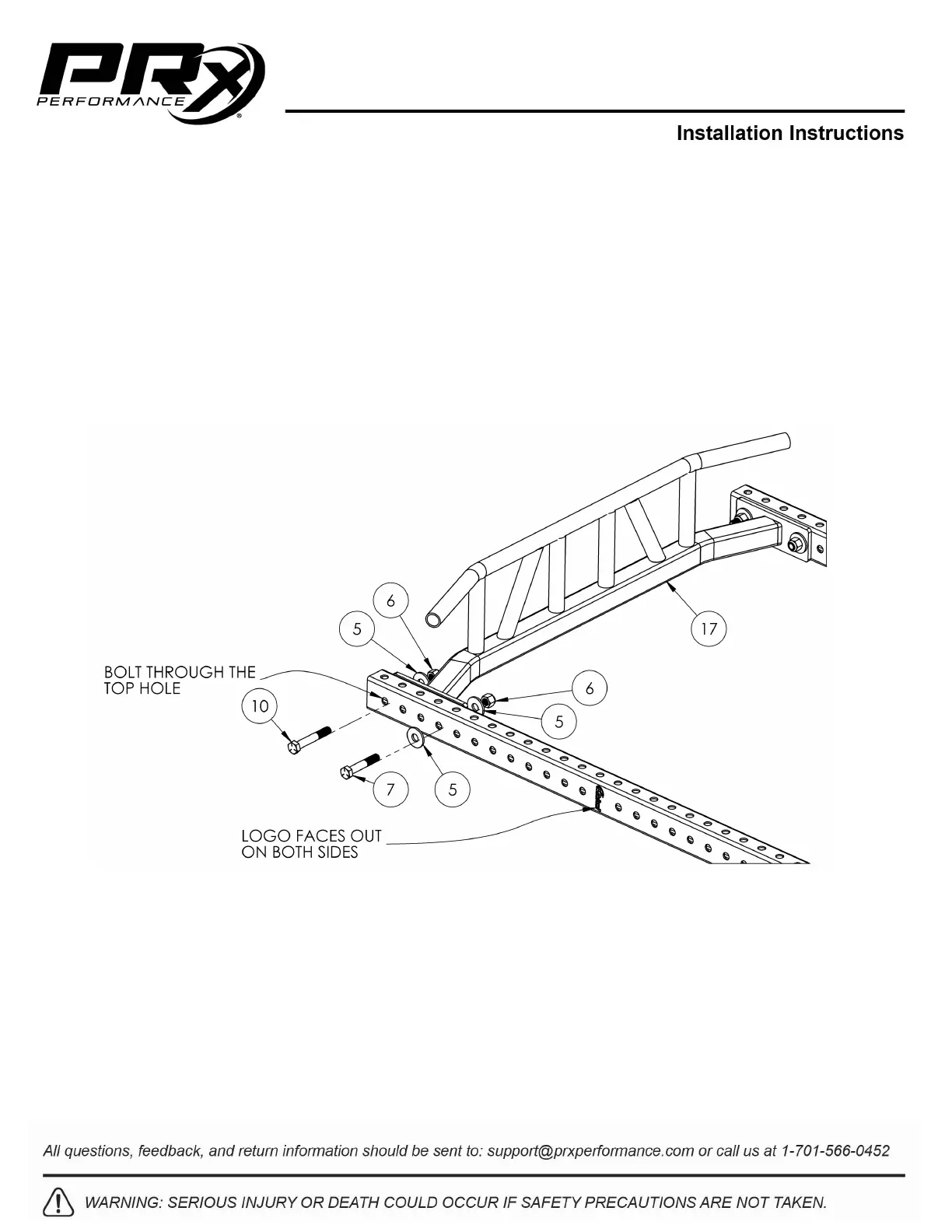
Attach Multi-Grip to Uprights
1. Lay the uprights on the ground facing upwards. Leave space between them for the Multi-Grip Bar.
2. Lay the Multi-Grip Bar on the ground (Figure 7) with the bar facing up between the uprights.
3. Position the Multi-Grip Bar (9) so that the holes align with the top hole of both uprights (Figure 7).
Using the 4” hex head bolts (10) 5/8” washers (5), and 5/8” lock nuts (6), attach the Multi-Grip Bar
(9) to the upright (Figure 7), (hand tighten nuts onto bolts, they will be removed later to attach
upper linkage arms).
4. Using the 3-1/2” hex head bolts (7) 5/8” washers (5), and 5/8” lock nuts (6), fully tighten the bolts
through the third hole of the upright.
Figure 7: Attaching the Multi-Grip Bar to the Uprights

Related product manuals