EasyManua.ls Logo

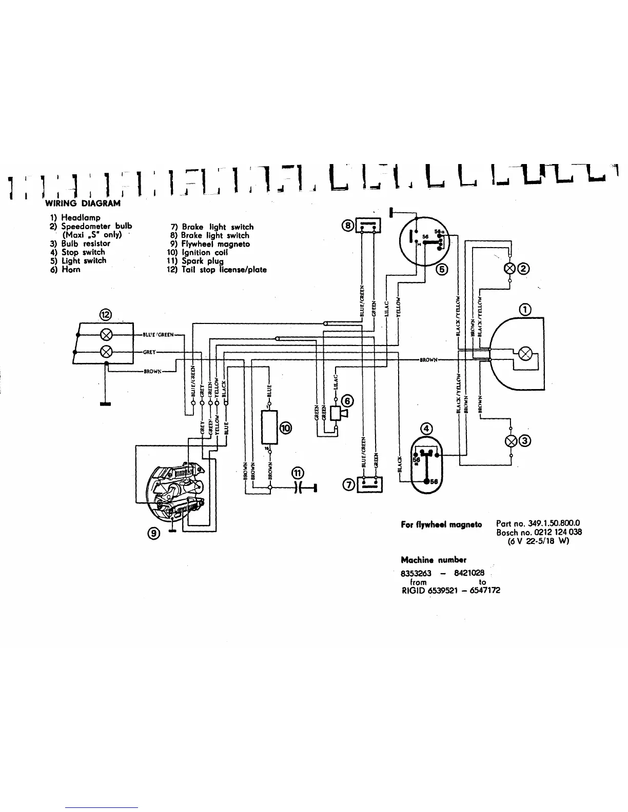
Puch Maxi 50 - Wiring Diagram

Puch Maxi 50
151 pages
Print Icon
To Next Page IconTo Next Page
To Next Page IconTo Next Page
To Previous Page IconTo Previous Page
To Previous Page IconTo Previous Page
Loading...

Table of Contents

Related product manuals