EasyManua.ls Logo

Pulsafeeder MICROtrac - Page 5

Default Icon
22 pages
Print Icon
To Next Page IconTo Next Page
To Next Page IconTo Next Page
To Previous Page IconTo Previous Page
To Previous Page IconTo Previous Page
Loading...
72-910-02
REV. P
5
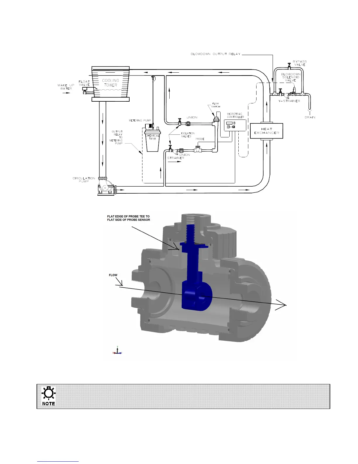
Fig. 1: Typical Installation
Fig. 2: Probe Alignment
For maximum accuracy, make sure that the conductivity sensor is installed so
the liquid stream passes straight through the round probe hole (see Fig.2).