EasyManua.ls Logo

Puratech PROFESSIONAL Series - Installation Steps and Start-Up Procedures; Prepare the Placement Area

Puratech PROFESSIONAL Series
32 pages
Print Icon
To Next Page IconTo Next Page
To Next Page IconTo Next Page
To Previous Page IconTo Previous Page
To Previous Page IconTo Previous Page
Loading...
PuraTech
®
Owner’s Manual 12/11/2013 10
Installation Steps and Start-Up Procedures
Step 1
Prepare the Placement Area
A. Make sure the placement area is clean.
B. Turn off the electricity and water supply to the water heater. For gas water heaters, turn the
gas cock to “Pilot.”
C. Examine the inlet plumbing to ensure that the pipe is not plugged with lime, iron, or any
other substance. Clean or replace plugged plumbing.
D. Make sure the inlet/outlet and drain connections meet the applicable state and local codes.
E. Check the arrows on the bypass valve to ensure that the water flows in the proper direction.
See Figure 6.
Caution: Do not plumb the appliance in backward.
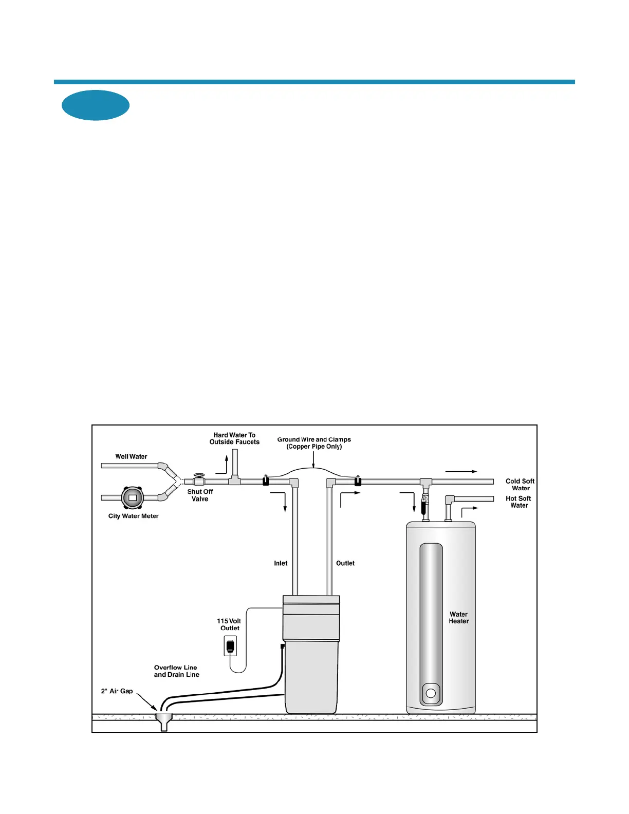
F. Place the appliance in the desired location using Figure 2 as a guide. The diagram in
Figure 2 applies to basement, slab, crawl space, and outside installations.
G. For most installations, install the appliance after the pressure tank and any water filter
appliance or water meter and before the water heater unless otherwise recommended.
When installing any additional filters, such as a carbon filter for well water, place the filter
after any water conditioning appliance unless otherwise recommended.
Water Heaters: If less than 10 feet (3 m) of pipe connects the water treatment appliance(s)
to the water heater, install a check valve between the water treatment appliance and the
water heater as close to the water heater as possible. Ensure that the water heater has an
adequately rated temperature and pressure safety relief valve.
H. For outside installations, the appliance should be enclosed so it is protected from the
weather.
Figure 2: Appliance Placement

Related product manuals