EasyManua.ls Logo

Pye Video E7A02UD - Page 34

Pye Video E7A02UD
57 pages
Print Icon
To Next Page IconTo Next Page
To Next Page IconTo Next Page
To Previous Page IconTo Previous Page
To Previous Page IconTo Previous Page
Loading...
1-10-12
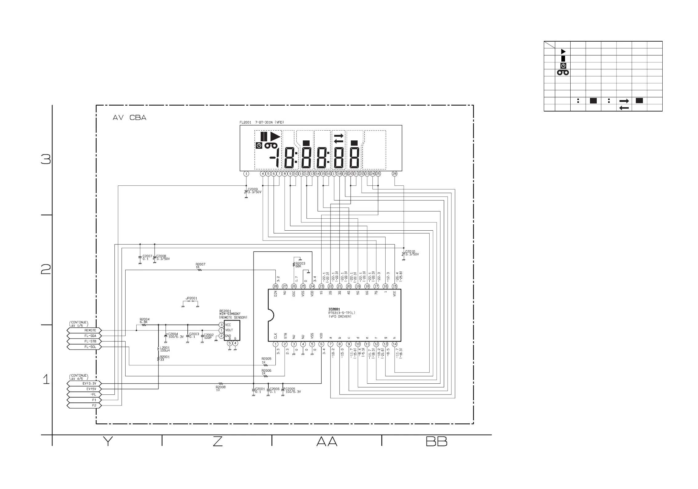
AV 5/5 Schematic Diagram
E7A02SCAV5
5G 4G 3G 2G 1G
7G
6G
a
d
g
h
h
g
c
b
ef
REPEAT
PM
REC
VCD VCR
DVD
R
XP SP
LP EP
SLP
P.SCAN
SEP
W
CD
T C
7G 6G 5G 4G 3G 2G 1G
a
b
c
d
e
f
g
c
d
e
f
gg
c
d
e
f
g
c
d
e
f
g
c
d
e
f
g
c
d
e
f
g
hh
i
a
b
a
b
a
b
a
b
a
b
FL2001 MATRIX CHART
REPEAT
PM
REC
VCD VCR DVD
R
XP
SP
LP
EP
SLP
P.SCAN
SEP
W
CD
T
C

Related product manuals