EasyManua.ls Logo

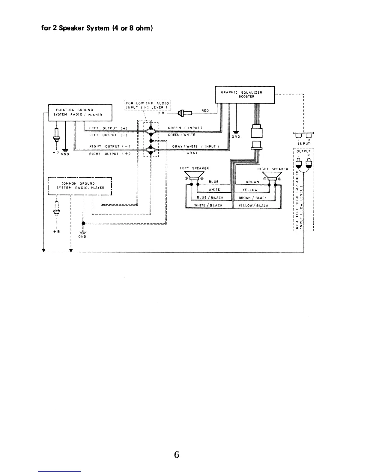
Pyramid 405VL - Electrical Connections (2 Speaker System); Floating Ground System Wiring; Common Ground System Wiring; Speaker Output Connections

Pyramid 405VL
8 pages
Print Icon
To Next Page IconTo Next Page
To Next Page IconTo Next Page
To Previous Page IconTo Previous Page
To Previous Page IconTo Previous Page
Loading...

Related product manuals