EasyManua.ls Logo

Quectel EC200T-EU - Power-On;Off;Reset Scenarios; Turn on Module Using the PWRKEY

Quectel EC200T-EU
102 pages
Print Icon
To Next Page IconTo Next Page
To Next Page IconTo Next Page
To Previous Page IconTo Previous Page
To Previous Page IconTo Previous Page
Loading...
LTE Standard Module Series
EC200T Series Hardware Design
EC200T_Series_Hardware_Design 35 / 90
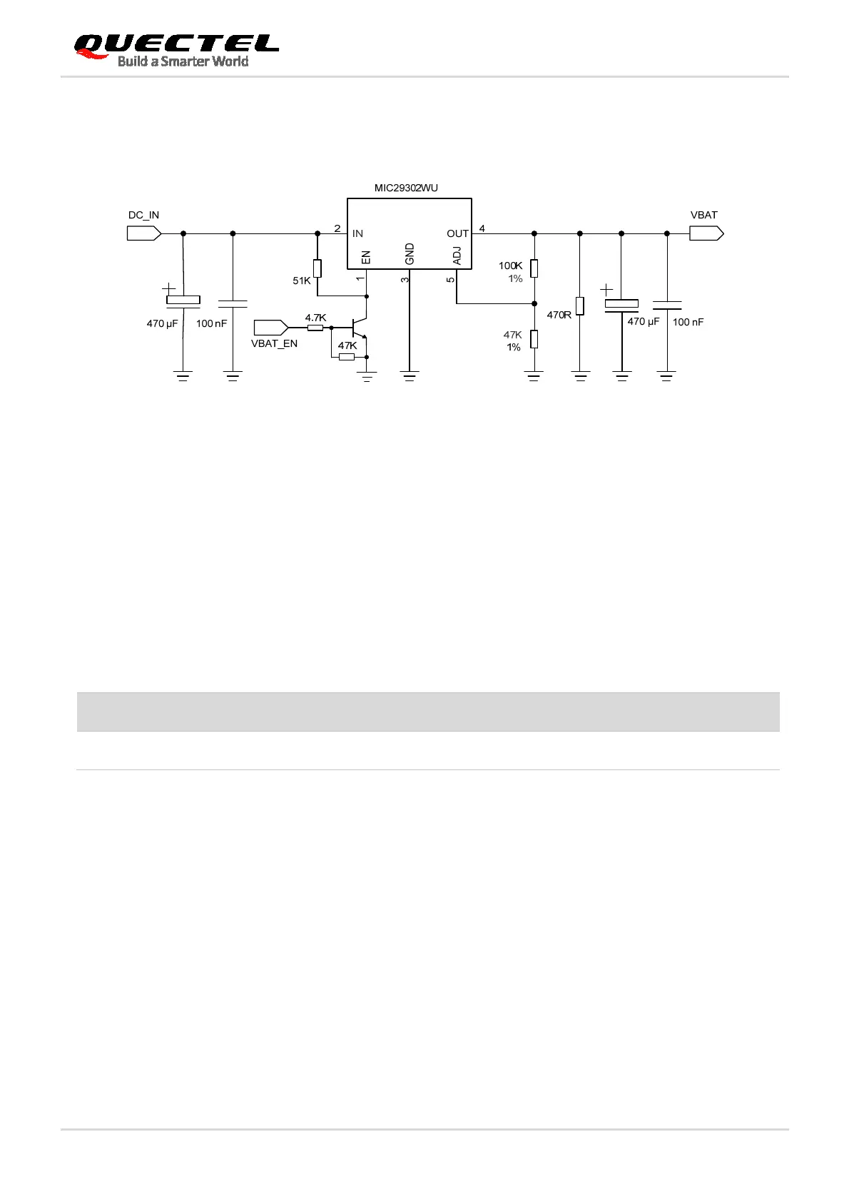
The following figure shows a reference design for +5 V input power source. The typical output of the
power supply is about 3.8 V and the maximum load current is 3.0 A.
Figure 8: Reference Circuit of Power Supply
3.7. Power-on/off/Reset Scenarios
3.7.1. Turn on Module Using the PWRKEY
The following table shows the pin definition of PWRKEY.
Table 9: Pin Description of PWRKEY
Pin Name Pin No. I/O Description Comment
PWRKEY 21 DI Turn on/off the module VBAT power domain
When EC200T series is in power down mode, it can be turned on to normal mode by driving the PWRKEY
pin to a low level for at least 500 ms. It is recommended to use an open drain/collector driver to control the
PWRKEY. A simple reference circuit is illustrated in the following figure.

Table of Contents

Related product manuals