EasyManua.ls Logo

Quectel EC200T-EU - Page 49

Quectel EC200T-EU
102 pages
Print Icon
To Next Page IconTo Next Page
To Next Page IconTo Next Page
To Previous Page IconTo Previous Page
To Previous Page IconTo Previous Page
Loading...
LTE Standard Module Series
EC200T Series Hardware Design
EC200T_Series_Hardware_Design 48 / 90
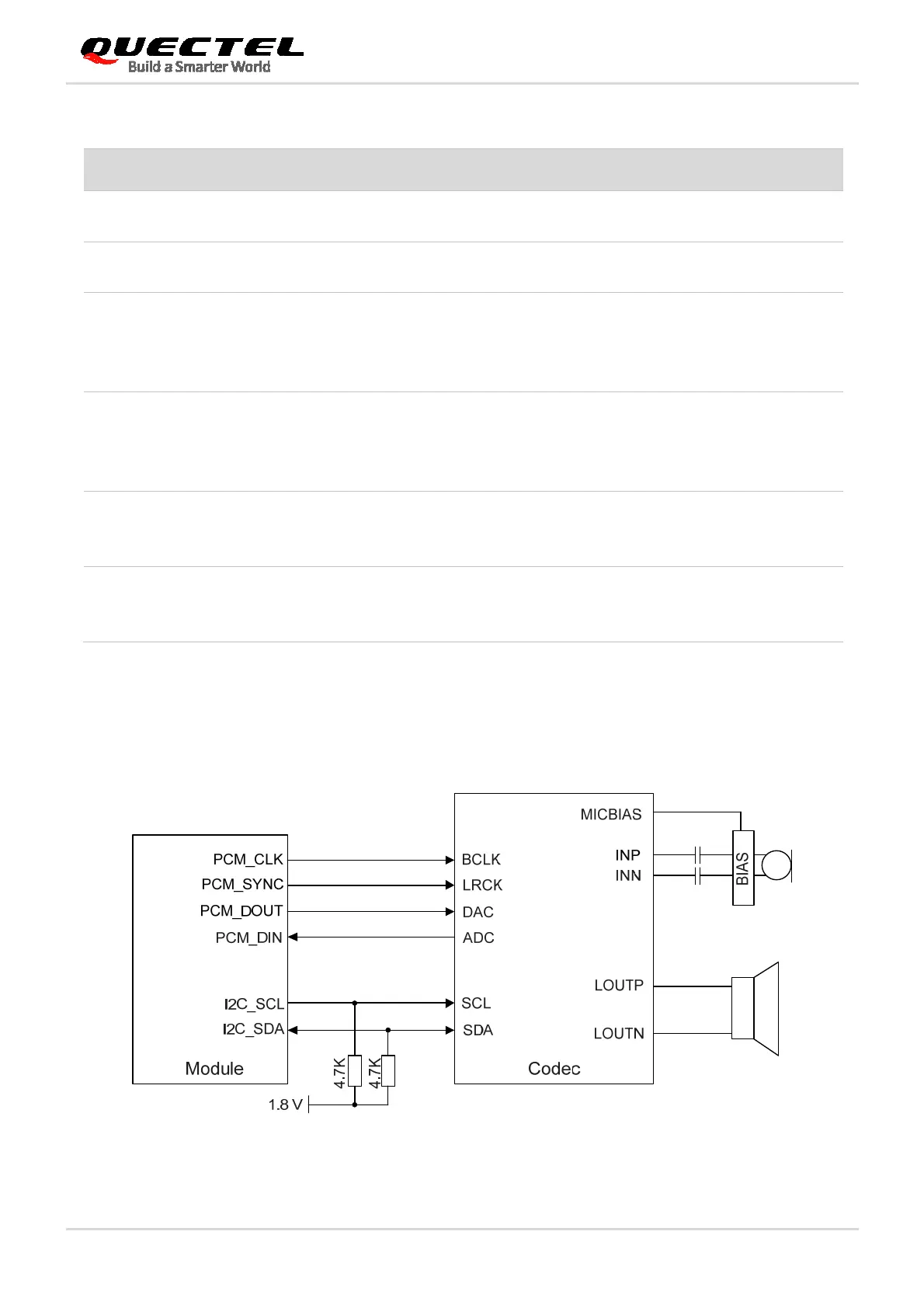
Table 16: Pin Definition of PCM and I2C Interfaces
Pin Name Pin No. I/O Description Comment
PCM_DIN 24 DI PCM data input
1.8 V power domain.
If unused, keep it open.
PCM_DOUT 25 DO PCM data output
1.8 V power domain.
If unused, keep it open.
PCM_SYNC 26 IO
PCM data frame
sync
1.8 V power domain.
In master mode, it serves as an output signal.
In slave mode, it is used as an input signal.
If unused, keep it open.
PCM_CLK 27 IO PCM clock
1.8 V power domain.
In master mode, it serves as an output signal.
In slave mode, it is used as an input signal.
If unused, keep it open.
I2C_SCL 41 OD I2C serial clock
Used for external codec.
An external 1.8 V pull-up resistor is required.
If unused, keep it open.
I2C_SDA 42 OD I2C serial data
Used for external codec.
An external 1.8 V pull-up resistor is required.
If unused, keep it open.
Clock and mode can be configured by AT command, and the default configuration is short frame
synchronization format with 2048 kHz PCM_CLK and 8 kHz PCM_SYNC.
The following figure shows a reference design of PCM interface with external codec IC.
Figure 22: Reference Circuit of PCM Application with Audio Codec

Table of Contents

Related product manuals