EasyManua.ls Logo

Quectel EC200U-EU - Page 39

Quectel EC200U-EU
100 pages
Print Icon
To Next Page IconTo Next Page
To Next Page IconTo Next Page
To Previous Page IconTo Previous Page
To Previous Page IconTo Previous Page
Loading...
LTE Standard Module Series
EC200U_Series_Hardware_Design 34 / 94
PWRKEY
4.7K
47K
10 nF
Turn-on pulse
2 s
Figure 10: Turn on Module by Using Driving Circuit
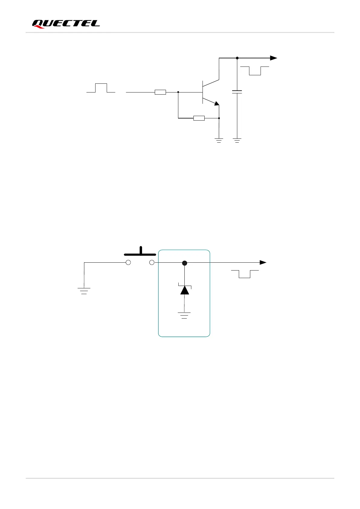
Another way to control the PWRKEY is to use a button directly. When pressing the button, electrostatic
strike may generate from finger. Therefore, a TVS component is indispensable to be placed nearby the
button for ESD protection.
A reference circuit is shown in the following figure.
PWRKEY
S1
Close to S1
TVS
Figure 11: Turn on Module by Using Button
The power-up scenario is illustrated in the following figure.

Table of Contents

Related product manuals