EasyManua.ls Logo

Quectel EC200U-EU - Page 46

Quectel EC200U-EU
100 pages
Print Icon
To Next Page IconTo Next Page
To Next Page IconTo Next Page
To Previous Page IconTo Previous Page
To Previous Page IconTo Previous Page
Loading...
LTE Standard Module Series
EC200U_Series_Hardware_Design 41 / 94
interface only supports USB slave mode and it can be used for AT command communication, data
transmission, software debugging and firmware upgrade.
Table 14: Pin Description of USB Interface
Pin Name
Pin No.
I/O
Description
Comment
USB_DP
69
AIO
USB differential data bus (+)
Require differential
impedance of 90 Ω
USB_DM
70
AIO
USB differential data bus (-)
Require differential
impedance of 90 Ω
USB_VBUS
71
AI
USB connection detect
Typical 5.0 V,
Minimum 3.5 V
GND
72
Ground
For more details about the USB 2.0 specifications, please visit http://www.usb.org/home.
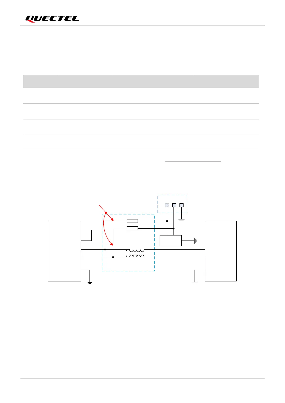
Reserve test points for debugging and firmware upgrade in your design. The following figure shows a
reference circuit of USB interface.
USB_DP
USB_DM
GND
USB_DP
USB_DM
GND
L1
Close to Module
R3
R4
Test Points
ESD Array
NM_0R
NM_0R
Minimize these stubs
Module
MCU
USB_VBUS
VDD
Figure 19: Reference Circuit of USB Application
A common mode choke L1 is recommended to be added in series between the module and your MCU in
order to suppress EMI spurious transmission. Meanwhile, the 0 Ω resistors (R3 and R4) should be added
in series between the module and the test points so as to facilitate debugging, and the resistors are not
mounted by default. In order to ensure the integrity of USB data line signal, L1, R3 and R4 components
must be placed close to the module, and also these resistors should be placed close to each other. The

Table of Contents

Related product manuals