EasyManua.ls Logo

Quick DYLAN DH - Three-Phase Connection Diagram; Basic System DYLAN 3000 W 220 V

Quick DYLAN DH
28 pages
Go to English
Print Icon
To Next Page IconTo Next Page
To Next Page IconTo Next Page
To Previous Page IconTo Previous Page
To Previous Page IconTo Previous Page
Loading...
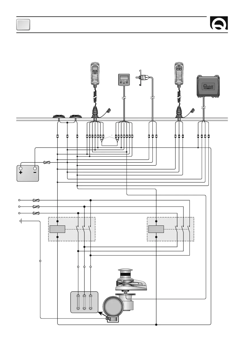
18
GB
DYLAN DH 1500/1700/2000W - REV001A
24V
KM1
W2
U1
R
S
T
L
1 XP
PE XP
R
V1 W1
U1
V1
W1
XP XP XP
U2 V2
U1 V1 W1
24V
KM2
FU1 13-25A aM
FU1 13-25A aM
L
2 XP S
FU1 13-25A aM
L
3 XP T
R
S
T
M
1
BASIC SYSTEM DYLAN 3000W 220V
WINDLASS
MOTOR
220V CA Max
5,5KW
TERMINAL BOARD
THREE-PHASE CONNECTION DIAGRAM
SENSOR
WATERTIGHT
HAND HELD
CHAIN-COUNTER
MOD. CHC1102 M
WATERTIGHT PANEL
CHAIN-COUNTER
MOD. CHC1202 M
-
+
DOWN
UP
BLUE
BROWN
BLACK
BLUE
BROWN
BLACK
DOWN
SENSOR
UP
-
+
CAN H
CAN L
GREY
RED
GREEN
BROWN
WHITE
BLUE
BLACK
BLUE
BROWN
BLACK
150
CAN H
CAN L
CAN H
CAN L
BATTERY 24V
MULTI-PURPOSE
WATERTIGH HAND HELD
REMOTE CONTROL
MOD. HRC1002
RADIO RECEIVER RRC
MOD. R02 (2CH)
WINDLASS
CONTROL BOARD
MOD. 800
MOD. 900/D
DOWN
FOOT SWITCH
MOD. 900/U
UP

Related product manuals