EasyManua.ls Logo

Quincy Compressor QT-5 - Decal Locations; Reference Information

Quincy Compressor QT-5
50 pages
To Next Page IconTo Next Page
To Next Page IconTo Next Page
To Previous Page IconTo Previous Page
To Previous Page IconTo Previous Page
Loading...
QT/QTS Series Quincy Compressor
2022208700, September 2018 45
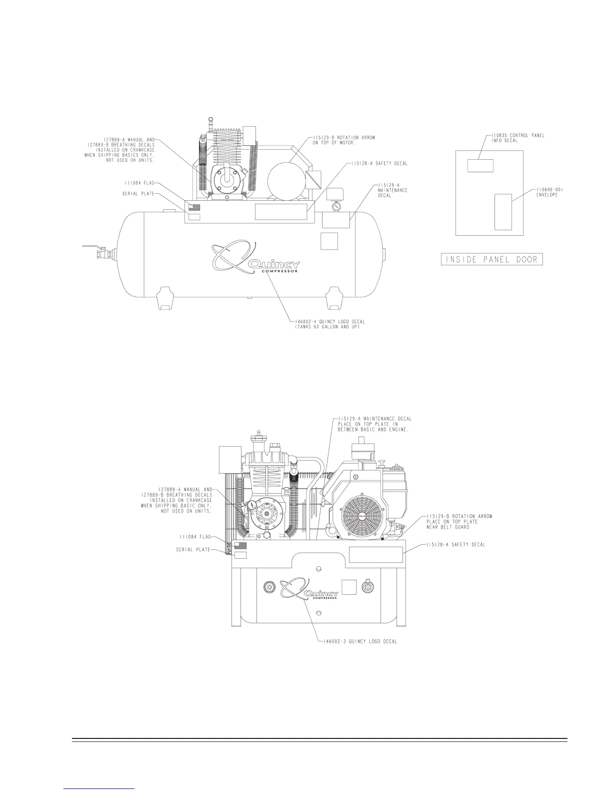
SECTION 7 REFERENCE INFORMATION
Decal Locations
Typical Unit with Horizontal Receiver
Typical Engine Driven Unit with Horizontal Receiver

Related product manuals