EasyManua.ls Logo

Quincy Compressor QTS-3 - Decal Locations; Reference Information

Quincy Compressor QTS-3
50 pages
Print Icon
To Next Page IconTo Next Page
To Next Page IconTo Next Page
To Previous Page IconTo Previous Page
To Previous Page IconTo Previous Page
Loading...
QT/QTS Series Quincy Compressor
2022208700, September 2018 45
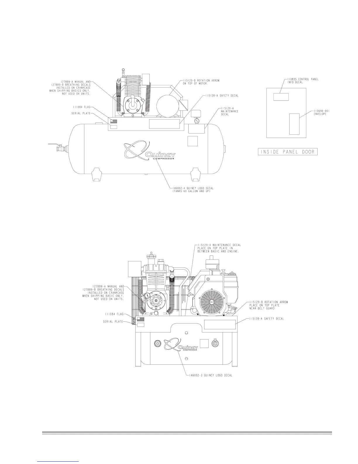
SECTION 7 REFERENCE INFORMATION
Decal Locations
Typical Unit with Horizontal Receiver
Typical Engine Driven Unit with Horizontal Receiver

Other manuals for Quincy Compressor QTS-3

Related product manuals