EasyManua.ls Logo

Quipall 5250DF - Wiring D Iagram

Quipall 5250DF
26 pages
Print Icon
To Previous Page IconTo Previous Page
To Previous Page IconTo Previous Page
Loading...
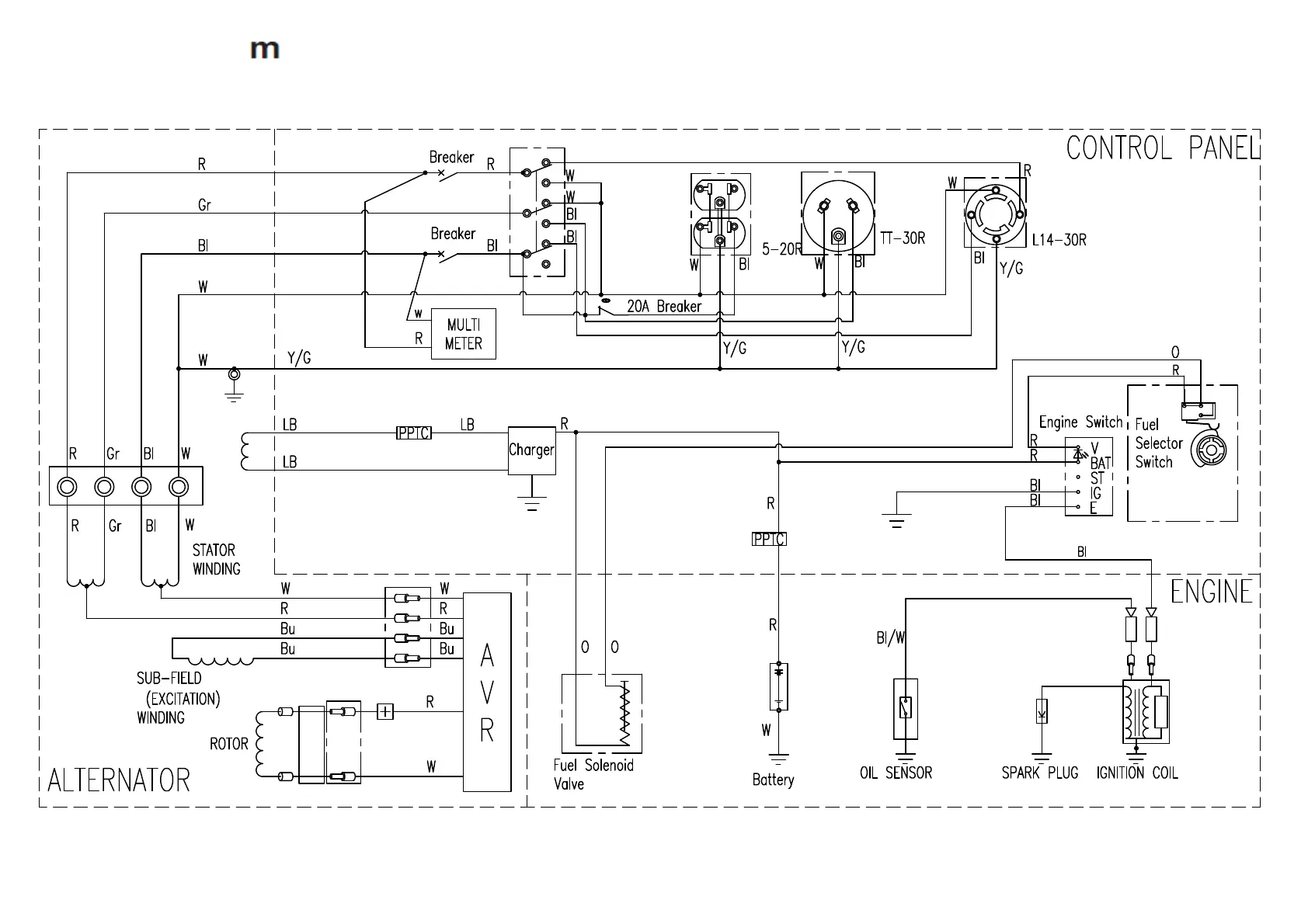
Wiring Diagra
26
03-017/1

Related product manuals